Tazíkův Defík 300 aneb zahradní párty v leže
-
Kyanid Sodný
- Příspěvky: 410
- Registrován: 09 kvě 2016 16:35
Re: Tazíkův Defík 300 aneb zahradní párty v leže
Automat. převodovky budou mít určitě větší provoz. teplotu , jednak je to hydroměnič a taky třecí spojky planetových převodu
Největší škody na autě se způsobí dobrými umysly
- Tazik1992
- Příspěvky: 1429
- Registrován: 10 čer 2014 22:59
- tel.: 602875958
- auto: Defík
- Bydliště: Holýšov,Kaznějov
Re: Tazíkův Defík 300 aneb zahradní párty v leže
Však já už jsem s teplotami spokojen a ukončuji hon na něKyanid Sodný píše: 19 črc 2023 10:28 Převodovky se budou vždy zahřívat -tření v ložiskách, v zubech apod, Do těch 8Ost to je asi OK. to bych vůbec neřešil a neztrácel čas. Pokud to je ale víc ,tak je tam někde chybička, čím větší teplota tím větší chybička se tam vloudila, -bud špatně smontovaný/seřízený a nebo ložiska už jsou Ko, protože mazací olej časem vykapal.
![]()
Sloužim lidu! :-)
Land Rover Defender 110SW 300Tdi 1998
ex-služební Land Rover Defender 2,4TDCi Puma 2008
Land Rover Defender 110SW 300Tdi 1998
ex-služební Land Rover Defender 2,4TDCi Puma 2008
-
Kyanid Sodný
- Příspěvky: 410
- Registrován: 09 kvě 2016 16:35
Re: Tazíkův Defík 300 aneb zahradní párty v leže
Tyhle samolepky asi velká přesnost nebude ,no na orientační měření asi dobrý, ale určitě by se to dalo zjistit u výrobce jak to je.
Největší škody na autě se způsobí dobrými umysly
- Tazik1992
- Příspěvky: 1429
- Registrován: 10 čer 2014 22:59
- tel.: 602875958
- auto: Defík
- Bydliště: Holýšov,Kaznějov
Re: Tazíkův Defík 300 aneb zahradní párty v leže
No, ty samolepky právě docela přesný jsou: +-1,5°C kolem vyznačené hodnoty teplotního okénka. To je slušný na kousek papíru. Samozřejmě horší rozlišení je věc jiná....
Sloužim lidu! :-)
Land Rover Defender 110SW 300Tdi 1998
ex-služební Land Rover Defender 2,4TDCi Puma 2008
Land Rover Defender 110SW 300Tdi 1998
ex-služební Land Rover Defender 2,4TDCi Puma 2008
- VencaZE
- Příspěvky: 3636
- Registrován: 17 kvě 2008 14:51
- tel.: 602 550 993
- auto: 110HT, S2A 88, G66
- Bydliště: Brod nad Tichou, okr. Tachov
- Kontaktovat uživatele:
Re: Tazíkův Defík 300 aneb zahradní párty v leže
Já si ten měřicí proužek od tebe schovávám na kalibraci teploměru chladicí kapaliny. To bude častější aplikace..
Urbanovi Pneu&Cars- Servis Land Rover, diagnostika, autoelektro, pneuservis a jiné.. urbanovipneucars@email.cz
WWW: http://www.landroverforum.cz/forum/view ... 12&t=26864
Proč bychom se dřeli, když můžeme spálit trochu nafty. OK1LRD
WWW: http://www.landroverforum.cz/forum/view ... 12&t=26864
Proč bychom se dřeli, když můžeme spálit trochu nafty. OK1LRD
- Tazik1992
- Příspěvky: 1429
- Registrován: 10 čer 2014 22:59
- tel.: 602875958
- auto: Defík
- Bydliště: Holýšov,Kaznějov
Re: Tazíkův Defík 300 aneb zahradní párty v leže
Dlouho jsem se radoval, že mám land rovera do terého neteče, éé teda, do kterého neteče aspoň střešním okénkem. Ona se tam občas udělala kapka, která mě po ránu cvrnkla do ucha abych se probral, ale aby to vypadalo takdle, že už kromě myšlenky neudržím moc ani moč, to tu ještě nebylo. Je zajímavý, že to nikdy nebylo po nějaké průtrži nebo vydatném ceďáku, ale spíš po přeháňce.
Levý pantík už od začátku nesl známky nějaké lepenkové omotávky a navíc na něm byly občas ty kapky, tak byl první na ráně. A ejhle, byl sice utažený, ale taky pěkně orezlý.
Pravý byl na tom mnohem lépe. K mému překvapení jsou ty čepy se závitem co drží okno pěkně volné, já myslel, že to tam bude nalisované nebo lepené a ona tam není žádná známka těsnění...
Takže hylomarku do ruky a pěkně podmáznout.
Zatím se mi nechce moc věřit, že by to teklo jinde, třeba kolem gumy. Tu opečovávám od prvních dní, pravidelně čistím mech a mažu jí silikonem, kupodivu nikde není prasklá ani zpuchřelá.
Nevíte někdo jestli se ty panty dají kdyžtak nějak štelovat, aby mělo okénko větší přítlak ke gumě ? V manuálu je jen krátká zmínka o výměně okna...
Levý pantík už od začátku nesl známky nějaké lepenkové omotávky a navíc na něm byly občas ty kapky, tak byl první na ráně. A ejhle, byl sice utažený, ale taky pěkně orezlý.
Pravý byl na tom mnohem lépe. K mému překvapení jsou ty čepy se závitem co drží okno pěkně volné, já myslel, že to tam bude nalisované nebo lepené a ona tam není žádná známka těsnění...
Takže hylomarku do ruky a pěkně podmáznout.
Zatím se mi nechce moc věřit, že by to teklo jinde, třeba kolem gumy. Tu opečovávám od prvních dní, pravidelně čistím mech a mažu jí silikonem, kupodivu nikde není prasklá ani zpuchřelá.
Nevíte někdo jestli se ty panty dají kdyžtak nějak štelovat, aby mělo okénko větší přítlak ke gumě ? V manuálu je jen krátká zmínka o výměně okna...
Sloužim lidu! :-)
Land Rover Defender 110SW 300Tdi 1998
ex-služební Land Rover Defender 2,4TDCi Puma 2008
Land Rover Defender 110SW 300Tdi 1998
ex-služební Land Rover Defender 2,4TDCi Puma 2008
- Tazik1992
- Příspěvky: 1429
- Registrován: 10 čer 2014 22:59
- tel.: 602875958
- auto: Defík
- Bydliště: Holýšov,Kaznějov
Re: Tazíkův Defík 300 aneb zahradní párty v leže
Počasí jako na přání, několik dní neutuchající déšť přinesl první test úpravy na střešním okénku. Pravý pant je suchý, ale je vidět, že levý pant bude vyžadovat důkladnější přetěsnění. On totiž ten čep se závitem nešel u něj moc povysunout, protože byl přireznutý a já nechtěl riskovat urvání. A pouhé omazání zvenčí i zevnitř prostě nestačí. Na fotce je krásně vidět kapka jak jede od šroubu dolů.
Sloužim lidu! :-)
Land Rover Defender 110SW 300Tdi 1998
ex-služební Land Rover Defender 2,4TDCi Puma 2008
Land Rover Defender 110SW 300Tdi 1998
ex-služební Land Rover Defender 2,4TDCi Puma 2008
- Tazik1992
- Příspěvky: 1429
- Registrován: 10 čer 2014 22:59
- tel.: 602875958
- auto: Defík
- Bydliště: Holýšov,Kaznějov
Re: Tazíkův Defík 300 aneb zahradní párty v leže
Tak mi to nedalo a včera jsem rozhýbal i úchytový čep levého pantu. Po přizdvihnutí čepu jsem pod ním dokonce objevil i těsnění, které ale evidentně není na věčné časy. Podmáznul jsem to tedy hylomarkou a složil.
V domění, že jsem s tím definitivně vydrbal, jsem se těšil na déšť, který přišel vzápětí a trval celou noc. A vydatně. Ráno jdu kouknout na pant a byla tam. Zase kapka táhnoucí se evidentně od toho čepu. Kuwa, mění se to na souboj....
V domění, že jsem s tím definitivně vydrbal, jsem se těšil na déšť, který přišel vzápětí a trval celou noc. A vydatně. Ráno jdu kouknout na pant a byla tam. Zase kapka táhnoucí se evidentně od toho čepu. Kuwa, mění se to na souboj....
Sloužim lidu! :-)
Land Rover Defender 110SW 300Tdi 1998
ex-služební Land Rover Defender 2,4TDCi Puma 2008
Land Rover Defender 110SW 300Tdi 1998
ex-služební Land Rover Defender 2,4TDCi Puma 2008
-
Kyanid Sodný
- Příspěvky: 410
- Registrován: 09 kvě 2016 16:35
Re: Tazíkův Defík 300 aneb zahradní párty v leže
Těsnící gumy oken atd. jsou u LR mizerný kvality, a časem tvrdnou a tudíž netěsní. Určitě je dobrý těsnící gumu mezi plechem střechy podmáznout, já požívám karosářský klempířský tmel, nebo karos .pružné lepidlo Carbont940FC , ale ne silikonon, který je dobrý tak akorát na utěsnění záchodový mísy
, tak že na auto zásadně NE.
Největší škody na autě se způsobí dobrými umysly
- Tazik1992
- Příspěvky: 1429
- Registrován: 10 čer 2014 22:59
- tel.: 602875958
- auto: Defík
- Bydliště: Holýšov,Kaznějov
Re: Tazíkův Defík 300 aneb zahradní párty v leže
Tak, když se tomu nevěnuje péče, tak se zkáze podvolí sebelepší těsnění. Já tak 3-4x v roce na svých autech ošetřím gumy kolem oken silikonovým olejem nebo tukem. U toho mého okénka naštěstí není problém (zatím) s tou těsnící gumou, ale s tím čepem na pantu. Guma vypadá velmi dobře, buď o ní původní majitel také pečoval a nebo jí už měnil.Kyanid Sodný píše: 30 črc 2023 17:39 Těsnící gumy oken atd. jsou u LR mizerný kvality, a časem tvrdnou a tudíž netěsní. Určitě je dobrý těsnící gumu mezi plechem střechy podmáznout, já požívám karosářský klempířský tmel, nebo karos .pružné lepidlo Carbont940FC , ale ne silikonon, který je dobrý tak akorát na utěsnění záchodový mísy, tak že na auto zásadně NE.
Já na tmelení používám tmely na bázi MS polymerů (hybrid mezi silikonem a polyuretanem), X-treme sealer a S-Bond od Veidecu.
Sloužim lidu! :-)
Land Rover Defender 110SW 300Tdi 1998
ex-služební Land Rover Defender 2,4TDCi Puma 2008
Land Rover Defender 110SW 300Tdi 1998
ex-služební Land Rover Defender 2,4TDCi Puma 2008
- Tazik1992
- Příspěvky: 1429
- Registrován: 10 čer 2014 22:59
- tel.: 602875958
- auto: Defík
- Bydliště: Holýšov,Kaznějov
Re: Tazíkův Defík 300 aneb zahradní párty v leže
A zase trocha výletničení, tentokrát cesta do historie - muzeum Amerik JK Classic v Lužné. Za osm let od první návštěvy toho dost přibilo.
Hala 1 je nabitá padesátkovými obýváky na kolech. Zjistili jsme, že naše kuchyně s obývákem je jako dva Fordy Galaxie vedle sebe
Raketoplány na kolech
Hala2 - to jsou třicátá, čtyřicátá a ranná padesátá léta. Tady je vidět Cadillac, ve kterém si vozili prdel i naši soudruzi. Tedy než se správně politicky zorientovali...
Hala 1 je nabitá padesátkovými obýváky na kolech. Zjistili jsme, že naše kuchyně s obývákem je jako dva Fordy Galaxie vedle sebe
Raketoplány na kolech
Hala2 - to jsou třicátá, čtyřicátá a ranná padesátá léta. Tady je vidět Cadillac, ve kterém si vozili prdel i naši soudruzi. Tedy než se správně politicky zorientovali...
Sloužim lidu! :-)
Land Rover Defender 110SW 300Tdi 1998
ex-služební Land Rover Defender 2,4TDCi Puma 2008
Land Rover Defender 110SW 300Tdi 1998
ex-služební Land Rover Defender 2,4TDCi Puma 2008
- Tazik1992
- Příspěvky: 1429
- Registrován: 10 čer 2014 22:59
- tel.: 602875958
- auto: Defík
- Bydliště: Holýšov,Kaznějov
Re: Tazíkův Defík 300 aneb zahradní párty v leže
Už i Hummer je veterán
Tady jsem teda kulil oči, protože humra na listech jsem nikdy neviděl
Další stupeň pro Ty, kterým je i 130ka malá - GMC Camper Special
Koráby na hale3
Už tu mají i classiky z řad hasičských a tahacích pracantů
Tady jsem teda kulil oči, protože humra na listech jsem nikdy neviděl
Další stupeň pro Ty, kterým je i 130ka malá - GMC Camper Special
Koráby na hale3
Už tu mají i classiky z řad hasičských a tahacích pracantů
Sloužim lidu! :-)
Land Rover Defender 110SW 300Tdi 1998
ex-služební Land Rover Defender 2,4TDCi Puma 2008
Land Rover Defender 110SW 300Tdi 1998
ex-služební Land Rover Defender 2,4TDCi Puma 2008
- Tazik1992
- Příspěvky: 1429
- Registrován: 10 čer 2014 22:59
- tel.: 602875958
- auto: Defík
- Bydliště: Holýšov,Kaznějov
Re: Tazíkův Defík 300 aneb zahradní párty v leže
Jediný volně přístupný veterán - starý Schoolbus sloužící jako herna byl odsouzen k destrukci malými návštěvníky
Hala 3 - to jsou srdcovky v podobě Pony a Muscle Cars
A zase drobná Inspirace těm, co jim už na budíky v LR nezbývá místo na palubce - dejte je rovnou na kapotu jako u Ponťáka.
A teď jedna kontrolní otázka, soudruzi - jak se do takového amerického GTÓčka tankuje benzín ?
Hala 3 - to jsou srdcovky v podobě Pony a Muscle Cars
A zase drobná Inspirace těm, co jim už na budíky v LR nezbývá místo na palubce - dejte je rovnou na kapotu jako u Ponťáka.
A teď jedna kontrolní otázka, soudruzi - jak se do takového amerického GTÓčka tankuje benzín ?
Sloužim lidu! :-)
Land Rover Defender 110SW 300Tdi 1998
ex-služební Land Rover Defender 2,4TDCi Puma 2008
Land Rover Defender 110SW 300Tdi 1998
ex-služební Land Rover Defender 2,4TDCi Puma 2008
Re: Tazíkův Defík 300 aneb zahradní párty v leže
Take jsem udelal vymenu za LEDky (ty od Osramu, diky za provedene mereni teplot), ale zjistil jsem, ze kdyz mam svetla zapnuta na rozsviceni pri otevreni dveri (prostredni poloha), tak i pri zavrenych dverich lehce sviti. Meril jsem napeti na kontaktech patice a je tam 0,3V. Predpokladam, ze to je spatne? Nebo je to dalsi z vlastnosti defa?
Tazik1992 píše: 16 dub 2023 09:15 Tak jsem si do auta nakonec přeci jen osadil LEDky od Osramu, ovšem né do světlometů, ale aspoň do kabiny. Už dříve jsem dal do interiérového světýlka LEDku, ale ta vydržela rok, klasika - napřed začala ztrácet sílů, pak se rozblikala a nakonec zhasla ve smrtelné křeči. Byla to COB LEDka, jedna z vícero lacinějších kusů, které jsem nakoupil před 2 roky na Aukru. Když jsem je tehdy zkoušel, tak jsem koukal hlavně na svítivost a proudový odběr. Na další parametr - provozní teplotu, jsem se až tak nezaměřil (topily skoro všechny). Ta má přitom velký význam na délku života LED čipů.
Tentokrát jsem si řekl, že dám šanci kvalitě a koupil jsem osramkovou LEDkovou alternativu ke klasické sufitce SV8,5/5W.
Autožárovky interiér 01 - spálená COBka a osramka.jpg
Ještě před osazením jsem jí zkusil okouknout termokamerou. A výsledek docela slušný, po pár minutách svícení jen 50°C.
Autožárovky interiér 02 - termotest Osram LED 41.jpg
Nakonec mi to samozřejmě nedalo a vytáhl jsem z šuplíků i ty dříve zakoupené čínské LED sufitky a udělal i jejich termo testík. Test probíhal na stole, při napájení 13V. Termosnímky jsou pořízené po půl hodině svícení, ale většina žárovek dosáhla na své provozní teploty už po první minutě.
První je nová LED Osramka, dvojka je klasická vláknová 5W sufitka a ostatní čínské přímotopy. Ná boční škále je vidět, že některá jejich místa jsou ještě teplejší než ta zacílená. Číslo 3 a 8 mají alu chladiče.
Autožárovky interiér 03 - kolekce termotest.jpg
Nej topidlu č.4 nepomohla ani úprava, při které jsem každý z 8 původních smd rezistorů nahradil kombinací 3 rezistorů pro lepší rozložení zátěže a odvod tepla.
Autožárovky interiér 04 - topidlo.jpg
Takovédle "smažené topinky" nemají v autě moc šanci na dlouhý spolehlivý život. I kdyby to samotné LED čipy byly schopné vydržet, tak špatně odvedené teplo z desky je zahubí. Nebo selžou odpory okolo.
-
MadTom
- Příspěvky: 15389
- Registrován: 06 lis 2008 23:15
- tel.: 608 600 360
- auto: D2, Def 130
- Bydliště: Olomouc
Re: Tazíkův Defík 300 aneb zahradní párty v leže
Pokud to máš v režimu, že se světla pomalu stmívají, tak je to vlastnost, nikoliv chyba. A hlavně těch 0,3V asi nebude úplně správně. Ony tam budou impulzy a na jejich změření běžný multimetr nestačí.
Drobek - Discovery II TD5 pro ženu, Blufínek - Defender 130 TD5 na ježdění s dětma a mě zbyl už zase jenom Ford Mondeo
- Tazik1992
- Příspěvky: 1429
- Registrován: 10 čer 2014 22:59
- tel.: 602875958
- auto: Defík
- Bydliště: Holýšov,Kaznějov
Re: Tazíkův Defík 300 aneb zahradní párty v leže
jaseb píše: 07 srp 2023 19:45 Take jsem udelal vymenu za LEDky (ty od Osramu, diky za provedene mereni teplot), ale zjistil jsem, ze kdyz mam svetla zapnuta na rozsviceni pri otevreni dveri (prostredni poloha), tak i pri zavrenych dverich lehce sviti. Meril jsem napeti na kontaktech patice a je tam 0,3V. Predpokladam, ze to je spatne? Nebo je to dalsi z vlastnosti defa?
Tak to já nic takového nepozoruju a to jezdím docela dost za tmy. A to by mě hned nadzvedlo ze sedačky
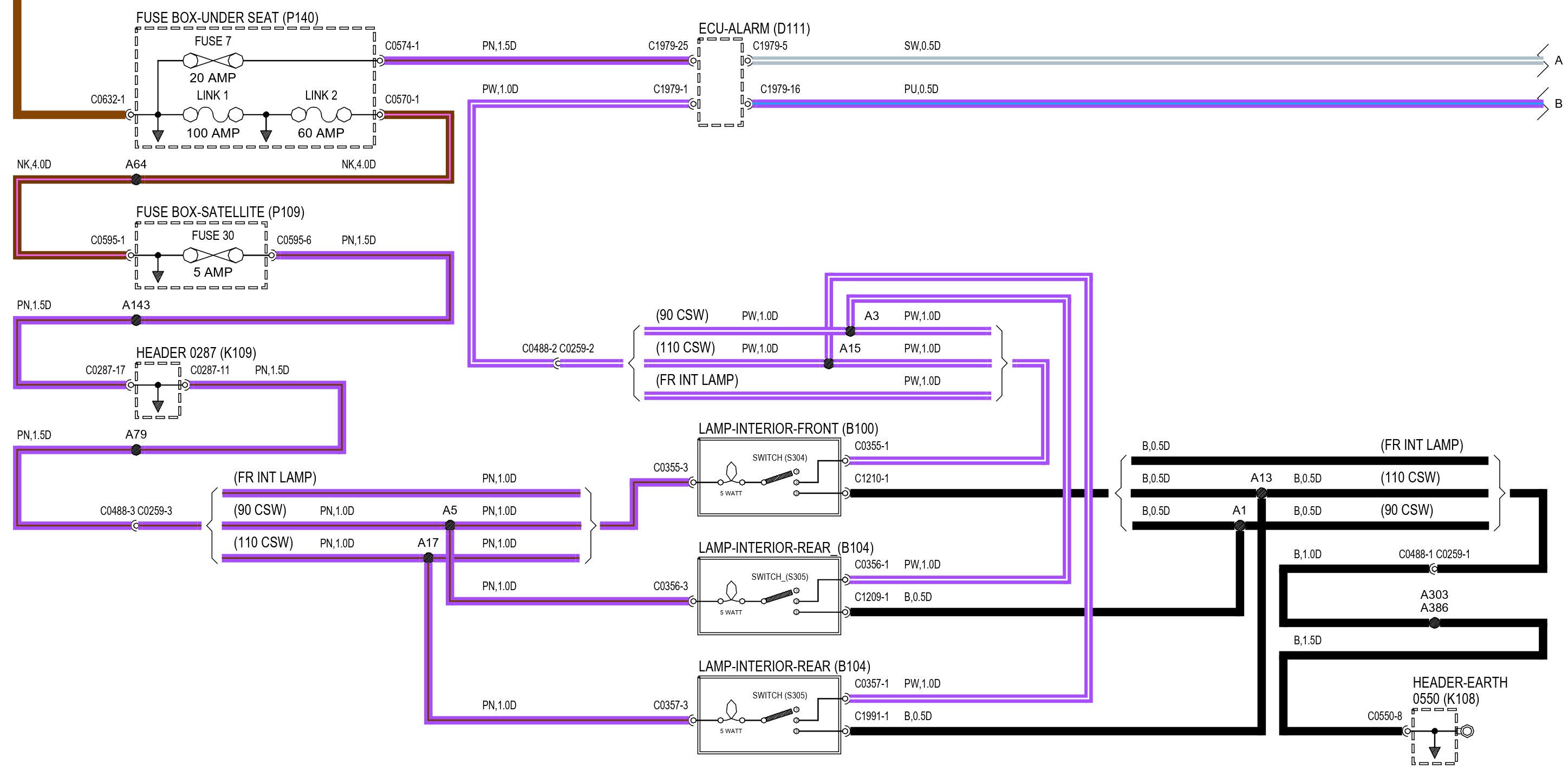
Z tvého podpisu soudím, že máš poslední verzi Pumy. I ta má stejný způsob zapojení interiérového světla jako 300vka. Přívod 12V k žárovce je napevno a z druhé strany se spíná kostra - buď přes vypínač natvrdo nebo pře ECU alarmu (se stmíváním). Když je to přes tu ECU, tak předpokládám, že ve vypnutém stavu jde i z druhé strany "12V". Napadá mě, že kdyby tam byl špatný kontakt ze strany od ECU (a nebo od baterky), tak by mohl vzniknout úbytek napětí a tím pádem i rozdíl napětí na žárovce. Ale při 0,3V bych nečekal, že se jednoduchá LEdka rozvítí. Ledaže je to jak píše MadTom a je tam nějaký pulzní průběh. To kdyžtak zkusím u mě změřit osciloskopem.
Interiérové světlo Puma
Interiérové světlo Def300
Sloužim lidu! :-)
Land Rover Defender 110SW 300Tdi 1998
ex-služební Land Rover Defender 2,4TDCi Puma 2008
Land Rover Defender 110SW 300Tdi 1998
ex-služební Land Rover Defender 2,4TDCi Puma 2008
-
MadTom
- Příspěvky: 15389
- Registrován: 06 lis 2008 23:15
- tel.: 608 600 360
- auto: D2, Def 130
- Bydliště: Olomouc
Re: Tazíkův Defík 300 aneb zahradní párty v leže
Pomalé pohasínání světla se dělá PWM. Žárovka na to nezareaguje a nesvítí, LED může lehce prosvítat. Jednou z možností, jak to odstranit je dioda nebo dvě do série. V D2 mi to dělá také.
Drobek - Discovery II TD5 pro ženu, Blufínek - Defender 130 TD5 na ježdění s dětma a mě zbyl už zase jenom Ford Mondeo
Re: Tazíkův Defík 300 aneb zahradní párty v leže
Ano, je to Puma r.v.2013 a má to pomalé zhasínání, tedy u ledky to nepoznám ale u klasické žárovky je to dobře vidět. Jak píše MadTom,tak to bude nejspíš ono díky! Když jsem to měnil, tak pálilo sluníčko a nevšiml jsem si toho a teď v noci to je dost vidět - přikládám foto zapnuto, zapnuto zavřené dveře po zhasnutí a vypnuto
- Přílohy
-
- 1.jpg (27.37 KiB) Zobrazeno 8901 x
-
- 2.jpg (29.96 KiB) Zobrazeno 8901 x
-
- 3.jpg (35 KiB) Zobrazeno 8901 x
- Tazik1992
- Příspěvky: 1429
- Registrován: 10 čer 2014 22:59
- tel.: 602875958
- auto: Defík
- Bydliště: Holýšov,Kaznějov
Re: Tazíkův Defík 300 aneb zahradní párty v leže
Teda to zhasnutý světlo svítí ňák moc, já čekal jen takové lehké mžourání. Navíc píšeš, že nepozoruješ u LEDky pozvolné stmívání, mě ta Osramka zhasíná pěkně plynule jako ta klasická. To je nějaký divný....
Sloužim lidu! :-)
Land Rover Defender 110SW 300Tdi 1998
ex-služební Land Rover Defender 2,4TDCi Puma 2008
Land Rover Defender 110SW 300Tdi 1998
ex-služební Land Rover Defender 2,4TDCi Puma 2008
Re: Tazíkův Defík 300 aneb zahradní párty v leže
Pres den to skoro videt neni. Ale v noci to je znat, ta fotka trochu zesiluje (zesiluje) to svetlo. Vratim tam zatim klasicke zarovky 