Otackomer
-
Kyanid Sodný
- Příspěvky: 410
- Registrován: 09 kvě 2016 16:35
Re: Otackomer
bere impulzy z alternátoru "W" , něco ukazovat bude, asi potřeba to tak nějak doseřídit,-jestli se to vůbec podaří , no je to levný budík ,mizerný kvality ,kdysi jsem ho taky měl a nakonec skončil ve šmelcu
Největší škody na autě se způsobí dobrými umysly
-
MadTom
- Příspěvky: 15347
- Registrován: 06 lis 2008 23:15
- tel.: 608 600 360
- auto: D2, Def 130
- Bydliště: Olomouc
Re: Otackomer
U TD5ky řídící jednotka motoru poskytuje informaci o otáčkách, které odpovídá signálu ze 4 válcového motoru. Jediný problém může být, že ty impulzy jsou jenom 5V, a běžné otáčkoměry potřebují 12V.
Drobek - Discovery II TD5 pro ženu, Blufínek - Defender 130 TD5 na ježdění s dětma a mě zbyl už zase jenom Ford Mondeo
Re: Otackomer
a naco pre boha ziveho vam je otackomer v defikovi ? v starom boli hodiny a zrovna dnes som sa zamyslal jak casto sa v Pume kuknem na otackomer a zistil som ze asi nikdy 
-
Kyanid Sodný
- Příspěvky: 410
- Registrován: 09 kvě 2016 16:35
Re: Otackomer
otáčkoměr možná sleduju víc jak tachometr
,otáčkoměr který má rozsah 8000ot, je tady u defendra který má tak max. 4000ot docela na nic.
Největší škody na autě se způsobí dobrými umysly
- Tazik1992
- Příspěvky: 1429
- Registrován: 10 čer 2014 22:59
- tel.: 602875958
- auto: Defík
- Bydliště: Holýšov,Kaznějov
Re: Otackomer
Sice jsem si ze začátku myslel, že mi bude otáčkoměr chybět, ale dneska musím říct, že víc oceňuju v kapličce ty hodiny než otáčkoměr.
Rozsah 8000 je pro 300vku fakt zbytečný, otáčky pro maximální výkon jsou 4000, přeběhové 4600.
A má třeba Td5kový alternátor W svorku ?
Rozsah 8000 je pro 300vku fakt zbytečný, otáčky pro maximální výkon jsou 4000, přeběhové 4600.
A má třeba Td5kový alternátor W svorku ?
Sloužim lidu! :-)
Land Rover Defender 110SW 300Tdi 1998
ex-služební Land Rover Defender 2,4TDCi Puma 2008
Land Rover Defender 110SW 300Tdi 1998
ex-služební Land Rover Defender 2,4TDCi Puma 2008
-
MadTom
- Příspěvky: 15347
- Registrován: 06 lis 2008 23:15
- tel.: 608 600 360
- auto: D2, Def 130
- Bydliště: Olomouc
Re: Otackomer
Vyvedeniu přímo ne, ale je to stále normální alternátor, takže se to z něj dá vytáhnout po drobné úpravě. Jednodušší je ale použít výstup z řídící jednotky motoru. Některá auta už mají i příslušný drát ve svazku, pokud se bude dotahovat, tak je ideální šance rovnou dotáhnout dráty pro tempomat.
Drobek - Discovery II TD5 pro ženu, Blufínek - Defender 130 TD5 na ježdění s dětma a mě zbyl už zase jenom Ford Mondeo
-
Kyanid Sodný
- Příspěvky: 410
- Registrován: 09 kvě 2016 16:35
Re: Otackomer
Tak tohle by byl docela dobrej budík pro defendera, ale má poněkud větší pruměr, než co je díra v tej kapličce , takže kdo chce domácí práci a vylepšovat, tunit a bastlit tak zde:https://www.kardanka.cz/otackomer-s-mot ... 5-mm-19973
Největší škody na autě se způsobí dobrými umysly
Re: Otackomer
Nejlepší je koupit nastavitelnej VDO s rozsahem do 6000ot, o velikosti co se tam vejde. A počítejte s tím, že se musí stejně trimrem uvnitř nakalibrovat podle otáček motoru. Tak to bylo alespoň u mne.
Deformační zóna Defendera je vozidlo stojící před ním.
-
Radim
- Příspěvky: 472
- Registrován: 24 úno 2007 21:00
- tel.: 603256861
- auto: Defender 110 300Tdi
- Bydliště: Louny
Re: Otackomer
Radim
LIVE TO RIDE- RIDE TO LIVE
LIVE TO RIDE- RIDE TO LIVE
- Tazik1992
- Příspěvky: 1429
- Registrován: 10 čer 2014 22:59
- tel.: 602875958
- auto: Defík
- Bydliště: Holýšov,Kaznějov
Re: Otackomer
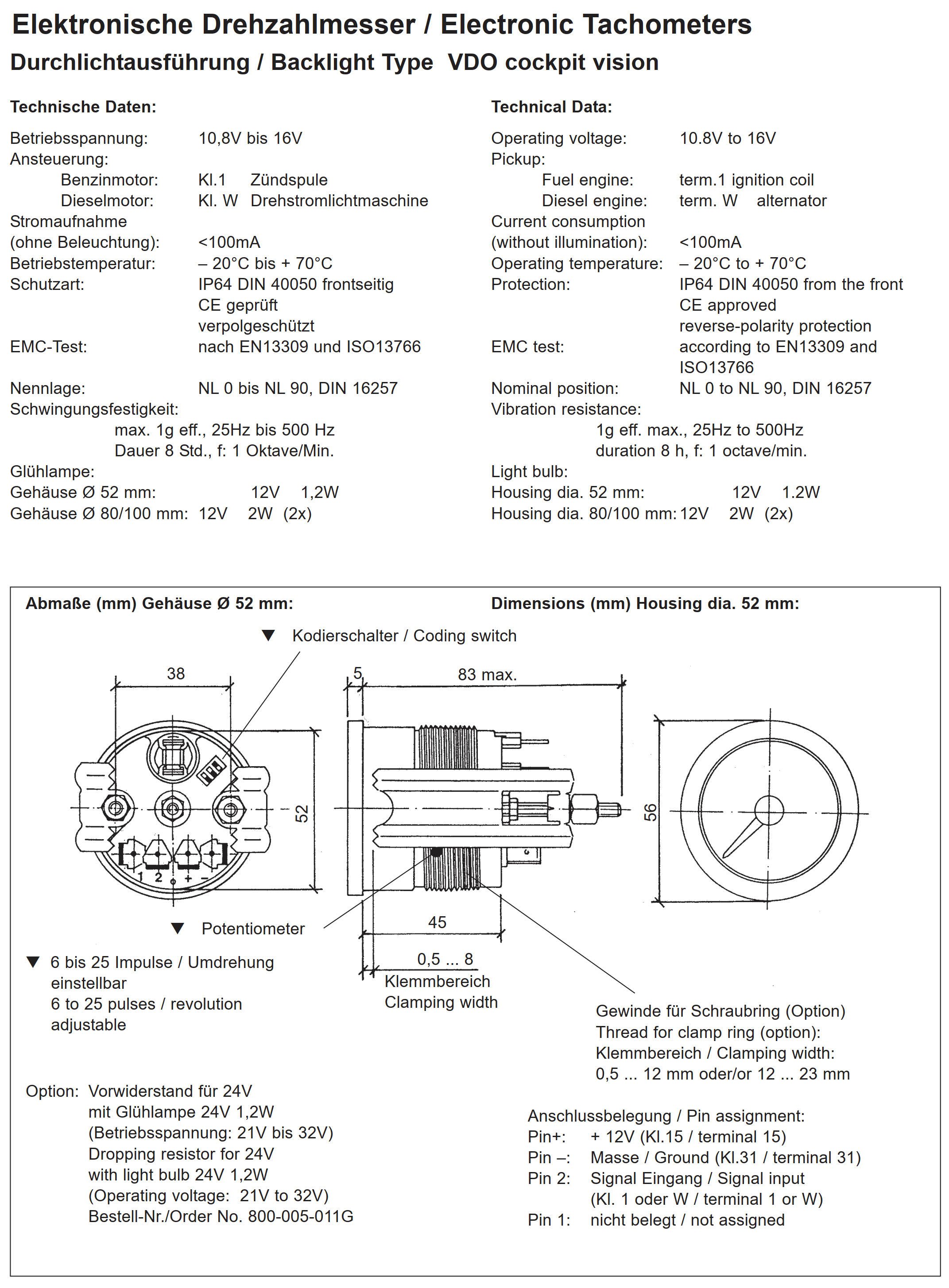
To by měl být tenhle model od VDO - 333-015-009K. Má i možnost korekce.
Ono těch otáčkoměrů s průměrem 52mm zase tolik není.
Sloužim lidu! :-)
Land Rover Defender 110SW 300Tdi 1998
ex-služební Land Rover Defender 2,4TDCi Puma 2008
Land Rover Defender 110SW 300Tdi 1998
ex-služební Land Rover Defender 2,4TDCi Puma 2008
- pojir
- Příspěvky: 2571
- Registrován: 20 zář 2013 12:29
- tel.: 602727915
- auto: D2
- Bydliště: u Blanska
- Kontaktovat uživatele:
Re: Otackomer
Moznost korekce a 6K rozsah ma i ten od Autogauge za litr...
pojir píše: 29 lis 2022 17:23 "Ale prosim, beze vseho," ozvalo se ze sluchatka: https://www.zbozi.cz/vyrobek/autogauge- ... podkladem/
Jakkoliv vysoko vyskocis, nikdy nepreskocis svoji prdel.