Dalkove ovladani
Moderátor: Safraporte
Re: Dalkove ovladani
Jesate mala otazecka,je cip imobilizeru v klici nebo v dalkaci?
Diky Honza
Diky Honza
Freelander TD4 r.v.2001
- BeerRudolf
- Příspěvky: 947
- Registrován: 30 říj 2007 13:31
- auto: Tak akorát
Re: Dalkove ovladani
Už to tu někde zaznělo. U MY 06 je čip imo v klíčku. Takže to platí pro všechny faceliftované. U starších to pravděpodobně bude stejné 
ČZ 150,Černá1951BABUŠKA/Ford Granada L MkI, 2,3V6 Automatic,SaturnGold1977PROFESOR/Simson S50 N,Červená1978MOPED/ Simca-Talbot Solara LS 1,3,ZelenáMetalíza1980TAŤKA/Simson S51 Enduro,Šedá1984SÍMA/Oltcit Club 11,Červená1988OLDÍK/Fiat Panda 4X4,Stříbrná2010
-
sas
- Příspěvky: 117
- Registrován: 26 dub 2011 13:29
- auto: free. 2td r.v.98 5dv
- Bydliště: altendorf- prerov
Re: Dalkove ovladani
zdar
taky mam jen 1 klic + dalkac,frre di 98.,premyslim ze bych koupil na aukru alarm s dalkovym ovladanim cena cca 1000kc,podle me mi stacilo prehodit jen prijimaci jednotku,a melo by to teoreticky fachat,ale
1-nevim zda by konektor v freetaku by byl stejny na nasunuti pocet pinu a pod.
2-nevim zda by nebyl nutny zasah diagnostikou do ridici jednotky vozu
3-chip imo by se musel zrejme vyndat s origo dalko. ovladani,a nainstalovat ke spinacce
4-kde se vubec nachazi prijimaci jednotka dalk. ovlad. ve frretaku?
taky mam jen 1 klic + dalkac,frre di 98.,premyslim ze bych koupil na aukru alarm s dalkovym ovladanim cena cca 1000kc,podle me mi stacilo prehodit jen prijimaci jednotku,a melo by to teoreticky fachat,ale
1-nevim zda by konektor v freetaku by byl stejny na nasunuti pocet pinu a pod.
2-nevim zda by nebyl nutny zasah diagnostikou do ridici jednotky vozu
3-chip imo by se musel zrejme vyndat s origo dalko. ovladani,a nainstalovat ke spinacce
4-kde se vubec nachazi prijimaci jednotka dalk. ovlad. ve frretaku?
Re: Dalkove ovladani
Tomu říkám zmatená představasas píše:zdar
taky mam jen 1 klic + dalkac,frre di 98.,premyslim ze bych koupil na aukru alarm s dalkovym ovladanim cena cca 1000kc,podle me mi stacilo prehodit jen prijimaci jednotku,a melo by to teoreticky fachat,ale
1-nevim zda by konektor v freetaku by byl stejny na nasunuti pocet pinu a pod.
2-nevim zda by nebyl nutny zasah diagnostikou do ridici jednotky vozu
3-chip imo by se musel zrejme vyndat s origo dalko. ovladani,a nainstalovat ke spinacce
4-kde se vubec nachazi prijimaci jednotka dalk. ovlad. ve frretaku?
1/ příjímač dálky je součástí hlavní řídící jednotky X nelze odstavit *)
2/ nerozumím jak to myslíš
3/ u tvého modelu žádné immo v klíči ani v dálce není
4/ pod volantem je pojistková skřín, jednotka je součástí (zasututa ze zadu)
*) také jsem dokupoval dálku - ovladač, dal jsem za něj na ebay-ji pár liber. Nakóduje ti ho pak každej LR servis či vlastník LR diag.
Freelander 2.0 DI · 20TN2 · 72 kW
Škoda Octavia 1.9TDI · AGR · 66 kW
Volvo C70 2.4T · B5244T · 142 kW
Škoda Octavia 1.9TDI · AGR · 66 kW
Volvo C70 2.4T · B5244T · 142 kW
-
sas
- Příspěvky: 117
- Registrován: 26 dub 2011 13:29
- auto: free. 2td r.v.98 5dv
- Bydliště: altendorf- prerov
Re: Dalkove ovladani
no uvidime
,jeste dotaz frekvence dalky by mela byt u meho free 433mhz,ma to pevny kod nebo promenlivy
dik
- Blankczechbook
- Příspěvky: 65
- Registrován: 03 bře 2011 16:17
- tel.: 605 247 224
- auto: jeste malo kusy
- Bydliště: Dvorec Nepomuk PJ
Re:
nebo bez HawkeyeAdmin píše:Bez Testbooku (diagnostiky) to nejde naprogramovat. Takže kluci doma rozhodně NE![]()
Adrian of Nepomuk, Skype name - Blankczechbook - mam Hawkeye na Frl1, DS2 a P38
Pokud pojedete přes Nepomuk - stavte se na šálek spravneho čaje! Landie majitelé vítejte!
Pokud pojedete přes Nepomuk - stavte se na šálek spravneho čaje! Landie majitelé vítejte!
-
sas
- Příspěvky: 117
- Registrován: 26 dub 2011 13:29
- auto: free. 2td r.v.98 5dv
- Bydliště: altendorf- prerov
Re: Dalkove ovladani
jo to jsem se docet,ale zajimalo by me zda to ma plovouci kod nebo pevny 
- BeerRudolf
- Příspěvky: 947
- Registrován: 30 říj 2007 13:31
- auto: Tak akorát
Re: Dalkove ovladani
Můj má plovoucí.
ČZ 150,Černá1951BABUŠKA/Ford Granada L MkI, 2,3V6 Automatic,SaturnGold1977PROFESOR/Simson S50 N,Červená1978MOPED/ Simca-Talbot Solara LS 1,3,ZelenáMetalíza1980TAŤKA/Simson S51 Enduro,Šedá1984SÍMA/Oltcit Club 11,Červená1988OLDÍK/Fiat Panda 4X4,Stříbrná2010
Re: Dalkove ovladani
Chlapy,kdyby jste hledaly kde je prijimac k dalkovemu ovladaci,tak sundejte budiky a pod tim je mala zelena krabicka,do ktere jde par dratku.Da se vymenit za jiny prijimac ke kteremu dostanete v obchode s autoalarmy dva krasne ovladace s vystrelovacim klicem.Klice si nechate vybrousit,ze starych klicu vyloupnete cipy imobilizeru,vlepite je nekam do klicenek a mate krasne klice s dalkacem.
Naposledy upravil(a) pokemon dne 03 zář 2011 17:02, celkem upraveno 1 x.
Freelander TD4 r.v.2001
-
sas
- Příspěvky: 117
- Registrován: 26 dub 2011 13:29
- auto: free. 2td r.v.98 5dv
- Bydliště: altendorf- prerov
Re: Dalkove ovladani
zdar
to jsem mel namysl,akorat nevim zda se to da ubastlit tak aby ten prijimac co koupim napr. s novym alarmem se dal napojit do freetaka,zda je tam patice pripad. kolik dratu,no proste priklad starej origo prijimac ma treba 5 dratu a novej alarm prijimac 7 jak to potem napojit
to jsem mel namysl,akorat nevim zda se to da ubastlit tak aby ten prijimac co koupim napr. s novym alarmem se dal napojit do freetaka,zda je tam patice pripad. kolik dratu,no proste priklad starej origo prijimac ma treba 5 dratu a novej alarm prijimac 7 jak to potem napojit
- Johny R
- Příspěvky: 1138
- Registrován: 20 říj 2010 20:41
- tel.: 730622097
- auto: Defík 90 300Tdi
- Bydliště: Ostrava
Re: Dalkove ovladani
Hoj!
Nepomohl by mi někdo? Mám v Defulďovi central od Jablotronu, dostal jsem dva ovladače, ale jen jeden je naladěný. Rád bych ho uschopnil (než rozeberu dveře a vytáhnu ty totálně zaoxidované zámky
!! pak mi to bude fuk), ať mám komplet druhé klíče. Doporučte mi někoho, případně někdo zručný z fóra (tady z Ostravska)? Samo že za zlaťáky!
Nepomohl by mi někdo? Mám v Defulďovi central od Jablotronu, dostal jsem dva ovladače, ale jen jeden je naladěný. Rád bych ho uschopnil (než rozeberu dveře a vytáhnu ty totálně zaoxidované zámky
Re: Dalkove ovladani
Prikladam obrazek zapojeni prijimace.Neni pak slozite zapojit si jiny prijimac,ktery koupite za 500,- s dvema krasnymi ovladaci s vystrelovakem. A puvodni klice s prijimacem vyhodit do popelnice.Samozrejme nezapomente vyloupnout cip imobilizeru a znehodnotit planzetu puvodnich klicu,aby nejaky bezdomovec co vybere vasi popelnici nemohl vlezt do auta.
- Přílohy
-
- Reciever-přijimač RF 433,92 Mhz.jpg
- (25.09 KiB) Staženo 343 x
Freelander TD4 r.v.2001
-
sas
- Příspěvky: 117
- Registrován: 26 dub 2011 13:29
- auto: free. 2td r.v.98 5dv
- Bydliště: altendorf- prerov
Re: Dalkove ovladani
zdar
jak to mam napojit kdyz mam dva vystupy na central zam. a odem., origo ma jen jeden viz priloha
jak to mam napojit kdyz mam dva vystupy na central zam. a odem., origo ma jen jeden viz priloha
- Přílohy
-
- 1775577471_7.jpg (89.69 KiB) Zobrazeno 9700 x
Re: Dalkove ovladani
Zapoj si ridici jednotku doma na stole na 12 V a zkus odemkout a zamknout a zmer merakem na kterem kontaktu ti pujde 12V+ po aktivaci a dekativaci.Tam pak napojis sedej drat a mas zapojeno.Chce to pak samozrejme zkouset bez sireny a s otevrenym stropnim okenkem nebo jinym,aby se treba po nejake chybe a zamceni auta slo dostat ven.
Freelander TD4 r.v.2001
Re: Dalkove ovladani
Dnes jsem promeroval stavajici privody do prijimace dalkoveho ovladani v aute a zluty kabel ma 10.4 V,sedivy 11V stale.Pri zamceni nebo odemceni sedivy kabel spadne na 5-6 V pouze po dobu drzeni tlacitka na dalkovem ovladaci.
Nejak takhle by se mel chovat asi vyvod na jinem prijimaci a mate vyhrano.Ja mam ted obednane toto a budu testovat a promerovat a zapojovat.Pak dam vedet jestly to bude fungovat.
http://www.nejautodoplnky.cz/dalkove-ov ... produkt382" onclick="window.open(this.href);return false;
Nejak takhle by se mel chovat asi vyvod na jinem prijimaci a mate vyhrano.Ja mam ted obednane toto a budu testovat a promerovat a zapojovat.Pak dam vedet jestly to bude fungovat.
http://www.nejautodoplnky.cz/dalkove-ov ... produkt382" onclick="window.open(this.href);return false;
Naposledy upravil(a) pokemon dne 27 zář 2011 06:28, celkem upraveno 1 x.
Freelander TD4 r.v.2001
Re: Dalkove ovladani
No a ešte mi povedz jak vyberem imobilizér ked je v dálkáči a je tam niekde naletovaný!!!
Discovery3 2,7 TDV6 HSE, automat,
Re: Dalkove ovladani
Staci odloupnout krytku na klici a pod tim je vlozeny cip imobilizeru.Neni ani vlepeny,jenom polozeny ve vylisku klice.
Freelander TD4 r.v.2001
Re: Dalkove ovladani
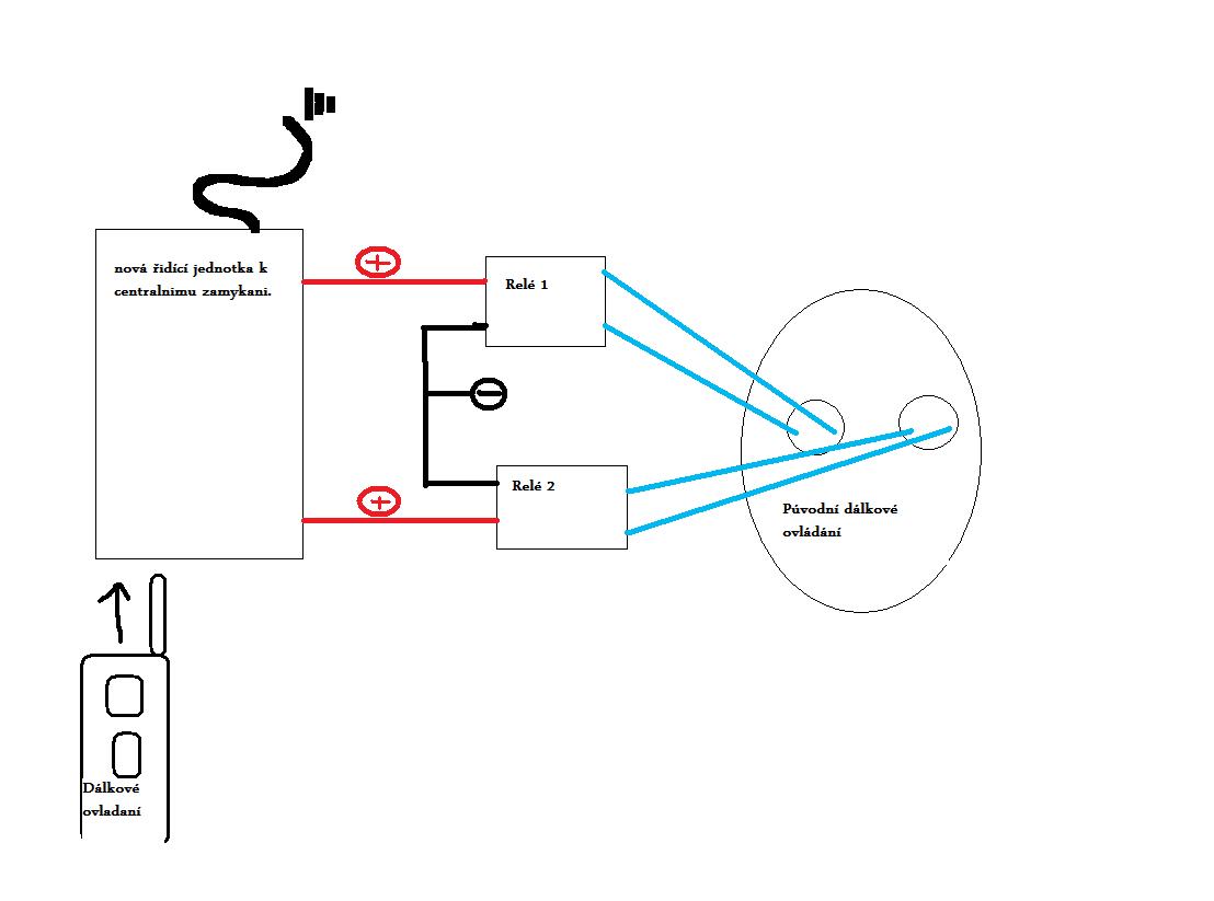
Takze po neuspesnych zapojovani nove ridici jednotky s novymi dalkovymi ovladanim jsem musel vymyslet alternativni reseni.Zapojite doma novou ridici jednotku na 12V,najdete si merakem kde vam jdou vyvody 12V+ pri zamikani a pri odemikani a tyto dva vyvody zapojite na dve relatka,ktera budou fungovat namisto tlacitek na puvodnim dalkovem ovladani.Vyndejte plosny spoj z puvodniho dalkoveho ovladani,mikropajkou priletujte tenke dratky na spinace puvodniho ovladace.kazde tlacitko napojte kazde zvlast na spinaci kontakty relatka co uz mate pripojena na novou centralni jednotku a mate vyhrano.Je to trochu humpolacke a slozite,ale kdyz nekdo nerozumi elektronice jako ja,tak to je dobra nahrada namisto navsteva draheho autoelektrikare.Celou jednotku s relatkama a puvodnim dalkovym ovladanim jsem zavrel do male plastove krabicky hermeticky uzavrel,novou antenku jsem nechal koukat ven a na nova dalkova ovladani jsem nechal vybrousit planzety klice,vyloupnul cipy imobilizeru a vlepil do novych dalkovych ovladani a je hotovo.KONECNE!!!
Prikladam nakres jak jsem to zapojil.
Prikladam nakres jak jsem to zapojil.
- Přílohy
-
- Alternativni zapojeni noveho dalkoveho ovladani.jpg
- (45.25 KiB) Staženo 213 x
Freelander TD4 r.v.2001
- fR4Nk
- Příspěvky: 161
- Registrován: 23 říj 2013 18:52
- tel.: 0948028417
- auto: LR Freelander
- Bydliště: Parchovany/Cibuľarovo
- Kontaktovat uživatele:
Re: Dalkove ovladani
Trochu to tu ozivim
Dnes som chcel z dialkoveho ovladania vybrat chip imobilizera. Mam totizto len jedno dialkove ak by som ho stratil som v rici. Rozobral som DO, ale neviem kde je vopchaty, ci nie je niekde v stene DO ukryty.
Na mojom rocniku auta je chip v DO, kluce uz mam nove. Chcem ten chip vlepit niekde do auta, aby som aj pri strate DO dokazal nastartovat. Je to docasne riesenie kym nekupim nove ovladacky. Ani v tomto vlakne nie je napisene kde sa v DO nachadza. Takze viete kde je ten blby chip v ovladacke je

Na mojom rocniku auta je chip v DO, kluce uz mam nove. Chcem ten chip vlepit niekde do auta, aby som aj pri strate DO dokazal nastartovat. Je to docasne riesenie kym nekupim nove ovladacky. Ani v tomto vlakne nie je napisene kde sa v DO nachadza. Takze viete kde je ten blby chip v ovladacke je
Biely Freelander "Lord Sníh" a cierna Mazda MX-3 V6 "Black Widow". Dokonaly Jing Jang.
Re: Dalkove ovladani
Tiež som po tom trochu patral,lebo mam iba jeden funkčny ovladač,ale žiadny čip som tam nenašiel.Tak som spravil pokus naštartovat auto iba s holym klučom bez ovladača a auto normalne štartuje
.