zdravim,
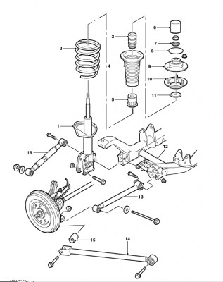
nechal jsem si pred asi mesicem menit zadni tlumice. Po vymene to vydavalo divne zvuky...rikal jsem si, ze si to musi sednout...taky ze jo...jedno kolo se po par kilometrech uklidnilo, z druhyho kola se furt ozivalo vrzani jako kdyz vrze guma o gumu... No tak mi to nedalo a rozebral jsem kryty, abych se mohl na oboje ulozeni tlumicu podivat....No podivejte se na obrazky... Jeden je v pohode a druhy to uvidite sami...
Nevite nahodou cim to je? Neprijde mi to prorazeni, pac ta miska je v pohode...spise tam zapomneli dat nejakou podlozku nebo ji dali blbe...
Sice to tomu mechanikovi ve stredu vezu a verim, ze to da dohromady, ale zajima mne vas nazor, cim se tohle muze stat...
tlumic perovani
Moderátor: Safraporte
tlumic perovani
Freelander 1 2,0 Tcie, 5 dv. rok 1998
Volvo XC90 2,5 T (LPG) rok 2005
Honda Civic 1,5i16V rok 1993
Honda CBR954 RR, Jawa 250, Parez (predrenovacni stav bohuzel bez TP)
Ryba je nejslusnejsi tvor na zemi....NEBERE A NEBERE :-)
Volvo XC90 2,5 T (LPG) rok 2005
Honda Civic 1,5i16V rok 1993
Honda CBR954 RR, Jawa 250, Parez (predrenovacni stav bohuzel bez TP)
Ryba je nejslusnejsi tvor na zemi....NEBERE A NEBERE :-)