michal3475 píše:Můžu připojit čerpadlo na proud napřímo? Že by zaplo prostě při zapnutí klíčku???

Na co lidi nepřijdou
Patice pod relé vypadá dobře(neopálená,nezoxidovaná)?
Jak relátka spínají jsi zkoušel třeba alespoň připojením k té nabíječce?
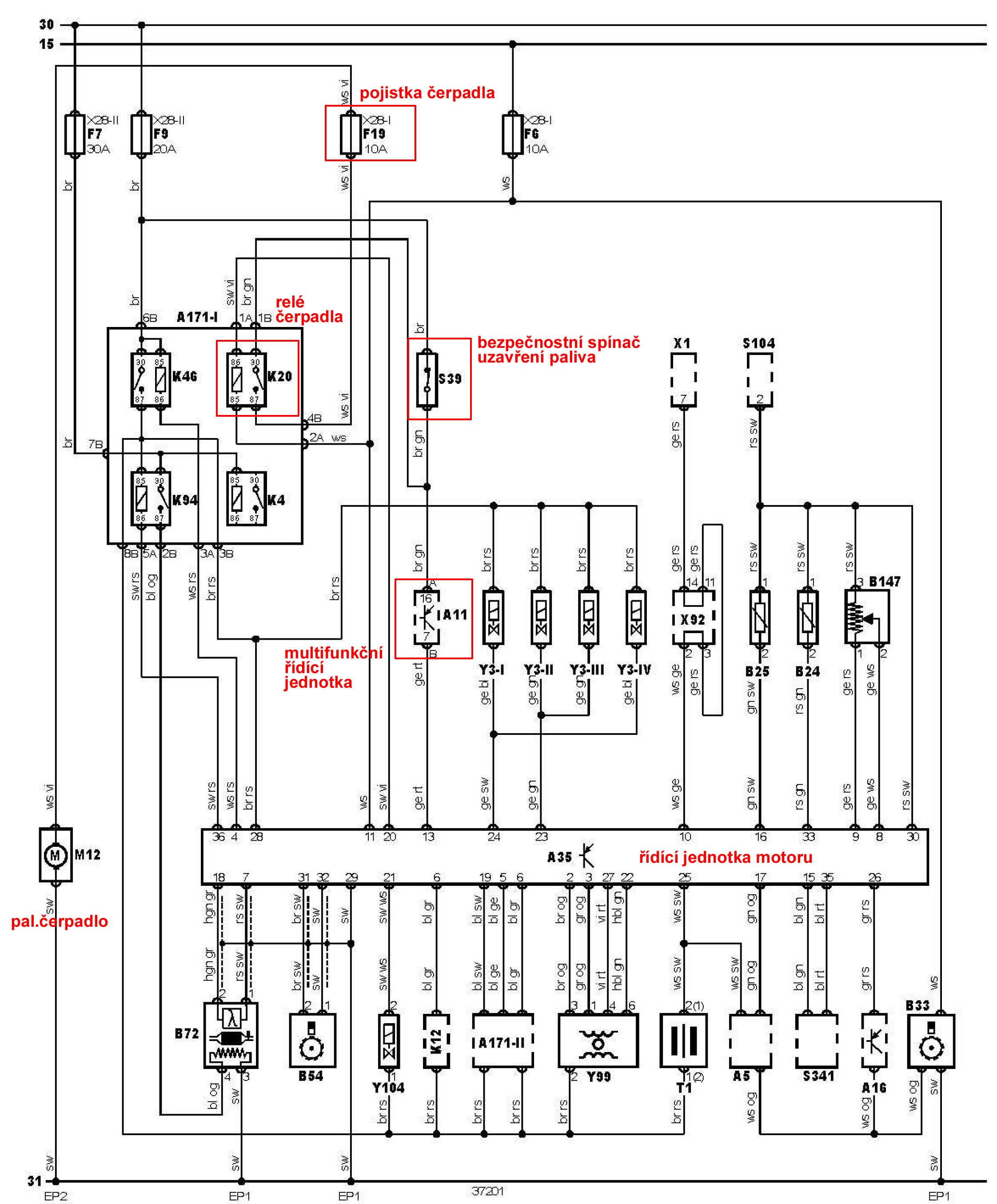
Signál dává ŘJ motoru. Okruh je kromě pojistky jištěn bezpečnostním spínačem uzavření paliva (rozpojí obvod čerpadla). Možná by mohl být problém v něm.
Na předchozím obrázku je to ta součástka v pravém horním rohu pod oknem (z vrchu má gumový kryt).
Viz Allanovo téma
http://www.landroverforum.cz/forum/view ... =7&t=25613.
Možná bys ho mohl zkusit proměřit nebo na zkoušku překlemovat jak se to bude chovat.
zjednodušené schéma ovládaní čerpadla