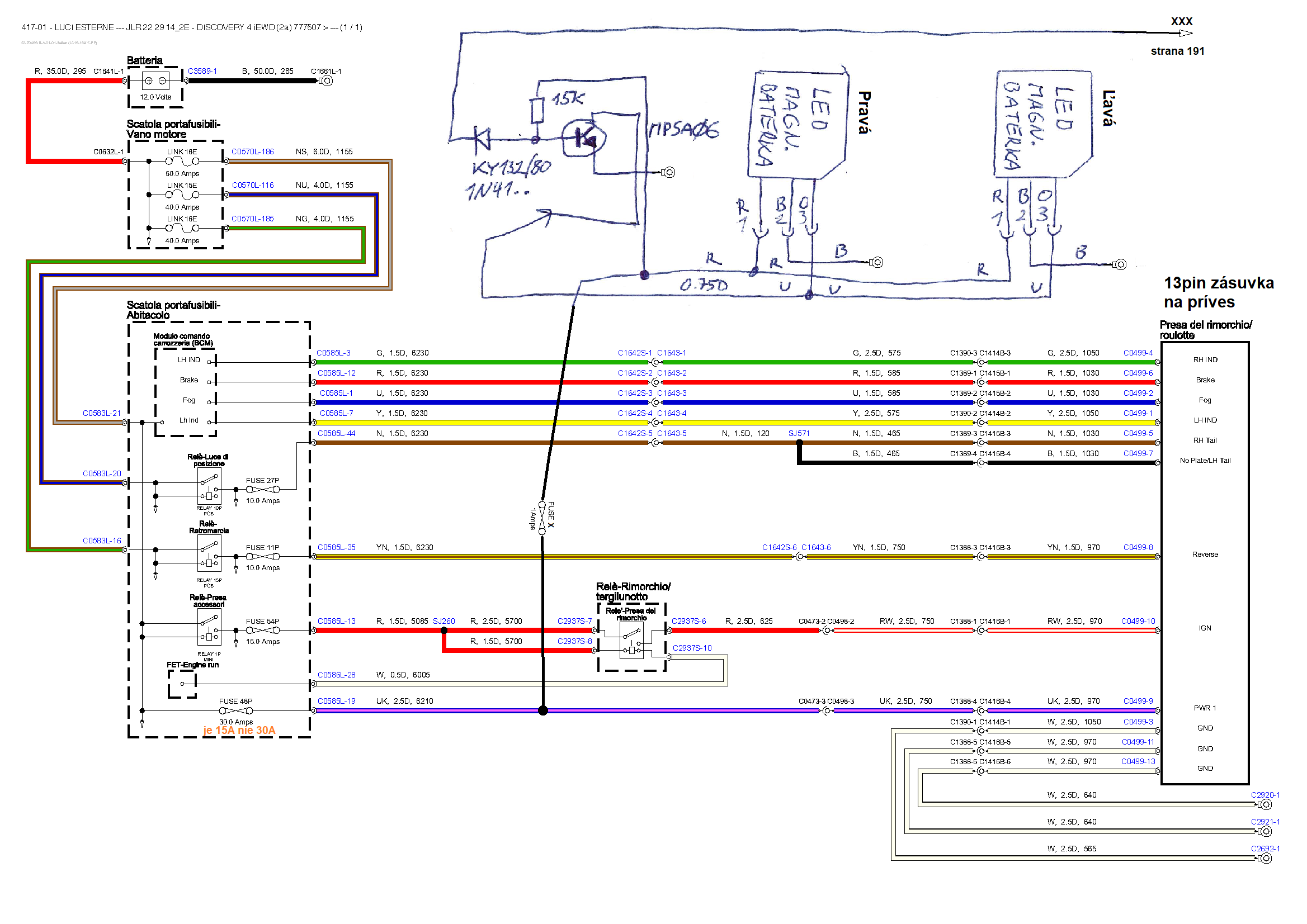
Už dlho som zháňal VPLAV0102 - LED baterka do kufra pre LR D3/D4. Ako alternatívu som využil vec z koncernu... Výsledok je na obrázkoch. Komponenty pre magnetickú svietaciu LED batérku som našiel tu http://www.octaviaclub.cz/clanky/navod- ... -1125.html, prípadne aj stránke https://www.drive2.ru/l/506793222740115763. Pre použitie v D3/D4 je nutné invertovať signál R (kontakt 1) na telese držiaka lampičky. Schéma modifikovaného zapojenia je nižšie. Súčiastky sú šuplíkové a pre dve lampičky v batožinovom priestore. Celý invertor je v zmršťovacej bužírke.
Súpiska materiálu: VAG obj. kódy:
2ks 3t0 947 509 9b9 - Držiak pre magnetickú vreckovú baterku umiestnenú v priestore kufra, prevedenie čierna satén. Korýtko
2ks 5L6 867 559 82V - vonkajší rámik držiaka 3t0 947 509 9b9
2ks 3t0 947 417 c 9b9 alebo 3t0 947 417 e 9b9 - magneticka LED lampička
2ks 1T0972703 - konektor pre 3t0 947 509 9b9
6ks N10335807 - kontakt do konektora 1T0972703. Treba tri(3) kontakty/konektor.
1ks tranzistor NPN MPSA06 a podobný
1ks rezistor 15k/125mW
1ks kremíková dióda KY132/80, 1N400x a podobne
Alternativa k VPLAV0102
Moderátor: Miky_CZ
- toudy
- Příspěvky: 37
- Registrován: 23 led 2011 22:18
- tel.: +421905723200
- auto: D4 SDV6 HSE, 2016
- Bydliště: BRATISLAVA, SVK
- Kontaktovat uživatele:
Alternativa k VPLAV0102
Naposledy upravil(a) toudy dne 28 led 2021 09:53, celkem upraveno 8 x.
navijak T-MAX 12000lbs, ASFIR, K&N, Deaktivovany ECO Start/Stop, Compomotive PD1881+275/65R18 119Q Maxxis MT764 P.O.R., TLC J120, OME, 2xnavijak, MT 33, CB vysielačka
- czech_daver
- Příspěvky: 123
- Registrován: 23 dub 2015 15:48
- auto: Discovery II
- Bydliště: Brno
Re: Alternativa k VPLAV0102
Ahoj, zajmavy napad! Mozna bych ale asi zvazil neco takveho
https://www.aliexpress.com/item/New-NIT ... eLevelAB=0
je to sice za 100$ ale asi to bude docela svitit
https://www.aliexpress.com/item/New-NIT ... eLevelAB=0
je to sice za 100$ ale asi to bude docela svitit
- toudy
- Příspěvky: 37
- Registrován: 23 led 2011 22:18
- tel.: +421905723200
- auto: D4 SDV6 HSE, 2016
- Bydliště: BRATISLAVA, SVK
- Kontaktovat uživatele:
Re: Alternativa k VPLAV0102
To uz je ina liga.
czech_daver píše: 12 pro 2017 10:13 Ahoj, zajmavy napad! Mozna bych ale asi zvazil neco takveho
https://www.aliexpress.com/item/New-NIT ... eLevelAB=0
je to sice za 100$ ale asi to bude docela svitit![]()
navijak T-MAX 12000lbs, ASFIR, K&N, Deaktivovany ECO Start/Stop, Compomotive PD1881+275/65R18 119Q Maxxis MT764 P.O.R., TLC J120, OME, 2xnavijak, MT 33, CB vysielačka