Zdraví ľudia,
Po dvoch dňoch hľadania riešenia na fóre zakladám tému ohľadom môjho problému. Opíšem v "skratke" ten môj problém.
V auguste/septembri 2021 mi začala na palubke svietiť kontrolka dobíjaná a videl som že auto pri štartovaní len tak tak natočí tak som ho odviezol kolegovi do servisu. Ten kukol na problém a povedal že alternátor bol ba výmenu tak tam dal nový alternátor. Odišiel som s autom zo servisu, všetko ok. O pár dni som dal inému kolegovi vymeniť koncovku/prípojku pre vozík a autozapaľovač. Po výmene spomenutých vecí mi premeral batériu a povedal aby som si ju dal vymeniť lebo už je skoro K.O. Tak som teda kúpil novú. Od daného týždňa sa to začalo. Pri prvom štarte s novou batériou som spozoroval ťažký štart. Nevenoval som tomu pozornosť keďže som si bol vedomý že je tam nový alternátor a nová batéria. No v ten deň som išiel 100 km trasu a po asi 20 km mi spadol otáčkomer, stierače stierali nejako pomaly aj na najrýchlejšom treťom stupni a po 80 km spadol aj tachometer a vyplo rádio. Došiel som k práve k cieľu kde mi vyplo komplet celé auto. Premeral som to milimetrom a zistil som že alternátor nedobíja, baterka vyšťavená.
Nechal som ju dobiť a došiel do servisu ku kolegovi len na batérii. Začal mi tvrdiť že musel som naopak zapojiť batériu a to pravdepodobne vybilo batériu a možno poškodilo alternátor. Hovoril som že batéria sa zapojiť inak nedá kvôli dĺžke káblov a svoriek. Tvrdil stále svoje. Rozobral alternátor opatrne kvôli reklamácií a zistil že alternátor je ok, no kukol nejaké káble a prečistil ich, že vraj alternátor nemal budivosť. Zaplatil som za servis a zobral som si auto. Pri štarte som si všimol že svieti kontrolka dobíjania ako má a po rozjazde zmizla z palubky. Vyrazil som smerom domov, krátka trasa do 10 km, otáčkomer ukazuje otáčky ale stierače stierajú slabo. Došiel som domov vypol auto. Pri ďalšom štarte už kontrolka dobíjania nesvietila, ťažký štart. Počas jazdy sledujem že otáčkomer spadnutý. Pri ďalšom pokuse o štart auto už nenaštartovalo. Odviezol som auto späť kolegovi do servisu. Včera som si ho vyzdvihol, vraj všetko je ok, že vraj boli zohnuté nejaké kontakty. Pri štarte som si všimol že kontrolka dobíjania svieti, po rozjazde zmizla z palubky. Prešiel som 10 km k pumpe, vypol auto a dotankoval. Naštartoval, všetko ok kontrolka dobíjania svieti po rozjazde zmizla z palubky, otáčkomer funkčný . Išiel som na dlhšiu trasu asi 50 km. Po 20 km mi spadol otáčkomer, stierače stierali celkom rýchlo. Došiel som tu 50 km trasu. Pri ďalšom štarte už kontrolka dobíjania nesvietila ale auto celkom v pohode naštartovalo, stierače celkom rýchlo stierali, otáčkomer nefunkčný. Dorazil som teda domov, 50 km a vypol auto. Pri ďalšom pokuse o štart som už nenaštartoval. Naštartoval som auto cez káble a zmeral multimetrom. Vyzerá to tak že alternátor nedobíja. V pondelok budem viesť auto kolegovi do servisu, no už ma to popravde nebaví že sa ten problém nie a nie vyriešiť. Preto by som vás chcel poprosiť o pomoc ak ste sa už s niečím takým stretli a ako ste to vyriešili, poprípade čo by to mohlo robiť, na čo sa treba zamerať aby som to povedal aj kolegovi v servise. Neviem či ten otáčkomer ma s niečo s dobíjaním lebo tomu nerozumiem ale všimol som si že vždy po tom čo otáčkomer spadol počas jazdy tak pri ďalšom pokuse o štart ta kontrolka dobíjania nesvieti a hodnoty ukazujú že alternátor nedobíja. Dik moc za odpovede
Jaro
problem s dobijanim - Disco 300TDI
Moderátor: Miky_CZ
-
MadTom
- Příspěvky: 15309
- Registrován: 06 lis 2008 23:15
- tel.: 608 600 360
- auto: D2, Def 130
- Bydliště: Olomouc
Re: problem s dobijanim - Disco 300TDI
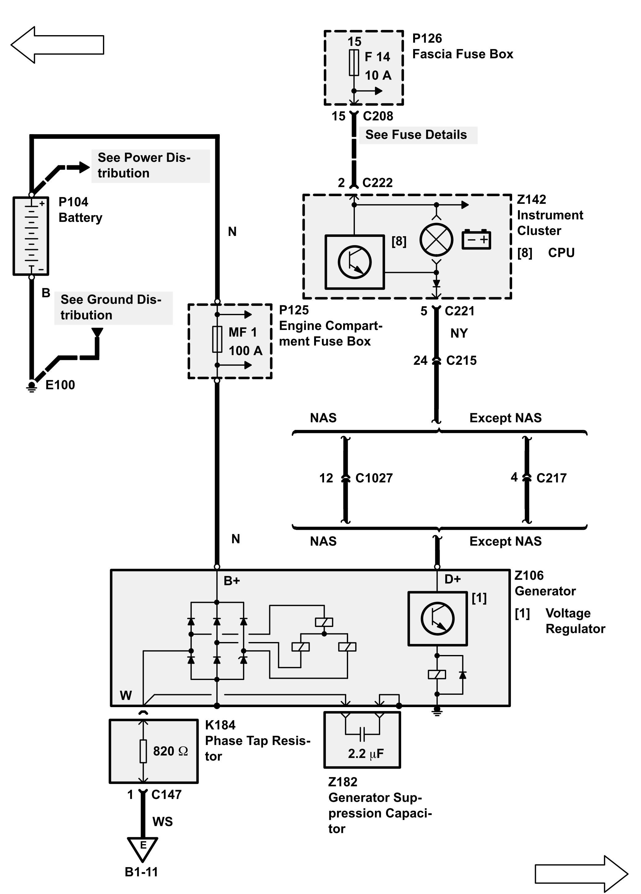
Chce to voltmetr a měřit napětí v palubní síti. Pokud je tam při chodu motoru méně než 13,8V, tak alternátor nedobíjí správně. Zbytek už je měřit a opravit.
Drobek - Discovery II TD5 pro ženu, Blufínek - Defender 130 TD5 na ježdění s dětma a mě zbyl už zase jenom Ford Mondeo
- Tazik1992
- Příspěvky: 1428
- Registrován: 10 čer 2014 22:59
- tel.: 602875958
- auto: Defík
- Bydliště: Holýšov,Kaznějov
Re: problem s dobijanim - Disco 300TDI
Vypadá to jako špatný kontakt v okruhu regulace dobíjení. Prvně můžeš zkontrolovat jestli jsou na alternátoru řádně utažené svorky, zejména přívod u D+ . Pak může být špatný kontakt na kontrolce dobíjení. Nebo na konektorech k přístrojovce. No a kontrolou kontaktů patice u pojistky F14 se taky nic nezkazí.
Sloužim lidu! :-)
Land Rover Defender 110SW 300Tdi 1998
ex-služební Land Rover Defender 2,4TDCi Puma 2008
Land Rover Defender 110SW 300Tdi 1998
ex-služební Land Rover Defender 2,4TDCi Puma 2008
Re: problem s dobijanim - Disco 300TDI
Dik moc chlapi. Odovzdám info kolegovi v servise nech to všetko kukne. Ak by vás ešte niečo napadlo kľudne dajte vedieť.