Senzor vlhkosti vzduchu.

Freelander I, II

Moderátor: Safraporte

Odpovědět
Zpráva
Autor
Black
Příspěvky: 4
Registrován: 20 srp 2023 16:28
tel.: 722087868
auto: LR Freelander 2

Senzor vlhkosti vzduchu.

#1 Příspěvek od Black » 20 srp 2023 16:42

Ahoj, zjistil jsem, že klimatizace ve Freelanderovi 2 nefunguje kvůli nezapojenému senzoru vlhkost ve zpětném zrcátku. Ze zrcátka vde cca 5 cm dvoužíli a to je všechno. Pod střechovicí jsem nic volného nenašel. Máte někdo podobnou zkušenost? Resp. kam zapojit novej kabel? Dík Petr

Uživatelský avatar
Tazik1992
Příspěvky: 1429
Registrován: 10 čer 2014 22:59
tel.: 602875958
auto: Defík
Bydliště: Holýšov,Kaznějov

Re: Senzor vlhkosti vzduchu.

#2 Příspěvek od Tazik1992 » 21 srp 2023 08:19

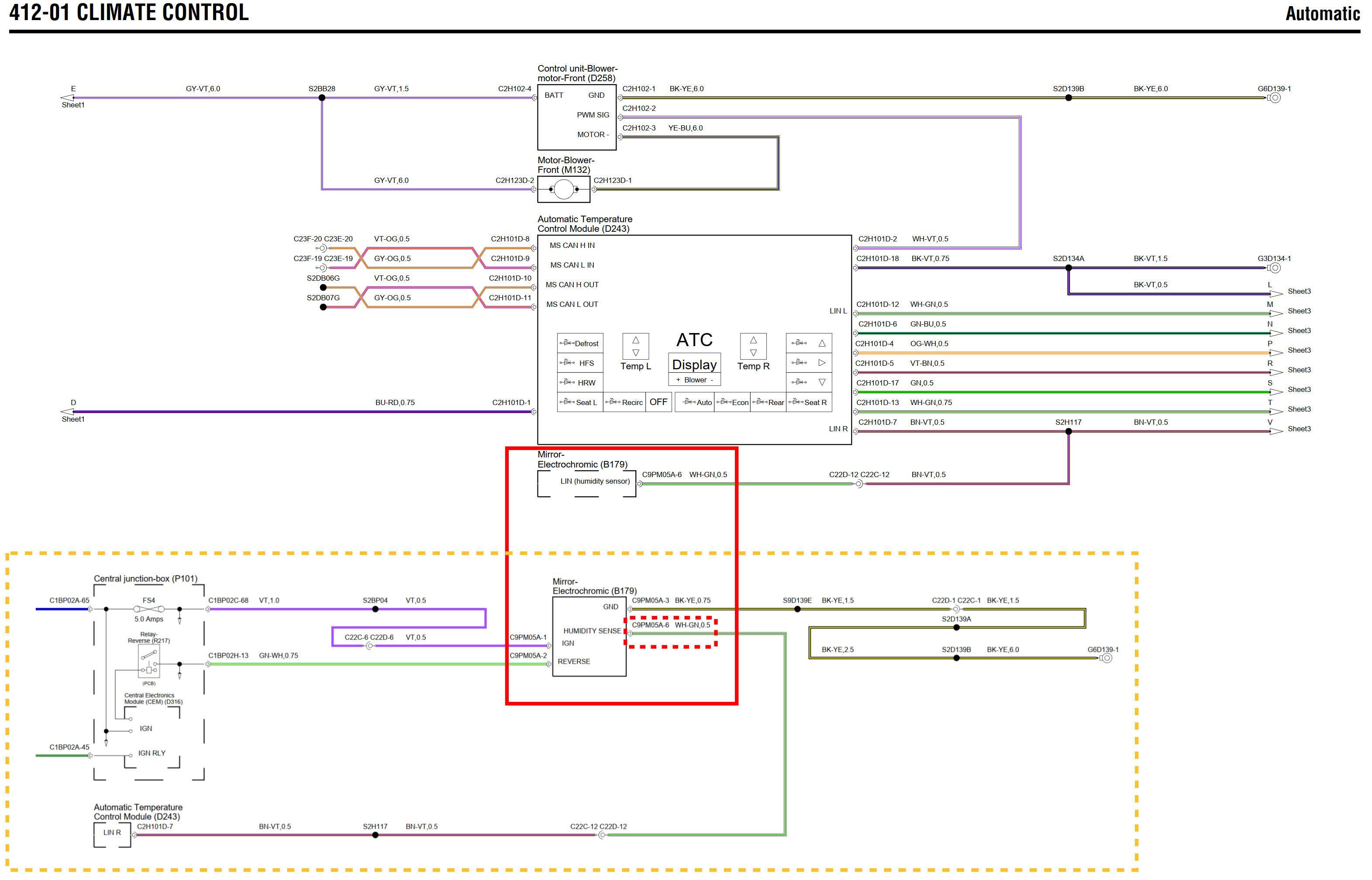
Ahoj, vývod z toho senzoru jde na sběrnici a letí do řídící jednotky (ovl.panelu) klimatizace.
Free2 klima auto.jpg

Ale jestli z toho zrcátka jde jen "dvoužíla", tak asi něco nehraje. Měl by tam být svazek s 8pinovým konektorem C9PM05A, ve kterém je signál z toho čidla.
Freelander2 c9pm05a konektor.jpg

Takhle vypadá zrcátko se senzorem vlhkosti
Free2 zpetzrcatko se senzory normal_DM_Sensors.jpg
Free2 zpetzrcatko se senzory normal_DM_Sensors.jpg (54.55 KiB) Zobrazeno 2301 x

Šikovný článek je zde, řeší sice zrcátko jako takové, ale jsou tam i umístění konektorů, co by tě mohly zajímat..
https://bxproject.co.uk/blog/retrofit-f ... ew-mirror/
Sloužim lidu! :-)
Land Rover Defender 110SW 300Tdi 1998
ex-služební Land Rover Defender 2,4TDCi Puma 2008

Black
Příspěvky: 4
Registrován: 20 srp 2023 16:28
tel.: 722087868
auto: LR Freelander 2

Re: Senzor vlhkosti vzduchu.

#3 Příspěvek od Black » 21 srp 2023 21:36

Ahoj, nakonec je to jinak. V zrcátku není senzor Windscreen glass temp senzor. Mám auto cca měsíc a ještě pořád se seznamujem. Nevíš, jestli se dá ten senzor koupit samostatně. Jsem celej den v pohybu a ještě jsem nestihl kouknout na net.

Uživatelský avatar
Tazik1992
Příspěvky: 1429
Registrován: 10 čer 2014 22:59
tel.: 602875958
auto: Defík
Bydliště: Holýšov,Kaznějov

Re: Senzor vlhkosti vzduchu.

#4 Příspěvek od Tazik1992 » 22 srp 2023 17:51

Black píše: 21 srp 2023 21:36 Ahoj, nakonec je to jinak. V zrcátku není senzor Windscreen glass temp senzor. Mám auto cca měsíc a ještě pořád se seznamujem. Nevíš, jestli se dá ten senzor koupit samostatně. Jsem celej den v pohybu a ještě jsem nestihl kouknout na net.
To fakt netuším jestli jde koupit sólo. Mám obavu jestli to není braný jako součást zrcátka.
Sloužim lidu! :-)
Land Rover Defender 110SW 300Tdi 1998
ex-služební Land Rover Defender 2,4TDCi Puma 2008

Black
Příspěvky: 4
Registrován: 20 srp 2023 16:28
tel.: 722087868
auto: LR Freelander 2

Re: Senzor vlhkosti vzduchu.

#5 Příspěvek od Black » 07 zář 2023 02:01

Ahoj a sakra já ti ani nepoděkoval. Takže chlape dík moc.

Uživatelský avatar
Tazik1992
Příspěvky: 1429
Registrován: 10 čer 2014 22:59
tel.: 602875958
auto: Defík
Bydliště: Holýšov,Kaznějov

Re: Senzor vlhkosti vzduchu.

#6 Příspěvek od Tazik1992 » 07 zář 2023 08:32

Black píše: 07 zář 2023 02:01 Ahoj a sakra já ti ani nepoděkoval. Takže chlape dík moc.

Není zač.

Ale hlavně by jsi mohl, zejména kolegům Fríčkařům, prozradit jak jsi to vlastně vyřešil. Bylo to tím senzorem ? Sehnal si jej samostaně ?
Sloužim lidu! :-)
Land Rover Defender 110SW 300Tdi 1998
ex-služební Land Rover Defender 2,4TDCi Puma 2008

Black
Příspěvky: 4
Registrován: 20 srp 2023 16:28
tel.: 722087868
auto: LR Freelander 2

Re: Senzor vlhkosti vzduchu.

#7 Příspěvek od Black » 11 zář 2023 16:35

Ten senzor, který u zrcátka není (snímač teploty čelního skla) s nefunkční klimou nesouvisí (naštěstí). Senzor vlhkosti vzduchu je v zrcátku a sólo se sehnat nedá. Tak řeším koupi jiného zrcátka.

Odpovědět