Chyba navijaku .
Moderátor: Acon
-
Romanlandrover
- Příspěvky: 23
- Registrován: 05 dub 2023 07:44
- tel.: 00421903168012
Chyba navijaku .
Ahojte predcasom som sa pridal a stal majitelom diskosky1300 ale nefunguje mi 12000lib. navijak pri stlaceni dialkoveho ovladaca , ale aj cez joystick , len cvaka . Myslel som si zozaciatku ze ked solenoidy cvakaju ze su v poriadku a chyba bude motor , prevodovka a pod. Motor som rozobral urobil skusku na priamo aj z prevodovkou ale cele to ide krasne na priamo bez solenoidov aj lavi aj pravy chod. Len ked to zapojim cez tie solenoidy tak len cvakaju a motor sa nepohne , nevyznam sa do toho, to to je moja prva skusennost s elek. Navijakom myslite ,ze ked solenoidy cvakaju ze by boli aj tak vadne ? Popripade nie je tam este nejaka poistka ? Alebo nieco ine co by to mohlo sposobovat? Pravdepodne sa jedna o nejaku neznackovu cinu navijak , nenasiel som ziadnu znacku len oznacenie winch 12000 lib. Dakujem za kazdu radu
- Tazik1992
- Příspěvky: 1429
- Registrován: 10 čer 2014 22:59
- tel.: 602875958
- auto: Defík
- Bydliště: Holýšov,Kaznějov
Re: Chyba navijaku .
Tak to nejdůležitější - naviják funguje, tak dobrý. Ty solenoidy můžou mít kontakty ve špatném stavu (třeba zoxidované, opálené...) a může na nich být tak velký úbytek napětí, že se prostě motor navijáku nehne. Nebo můžou být v tak hrozném stavu (utavené), že už ani nespínají. Ideální by bylo změřit napětí na vstupní a výstupní svorce solenoidu. Jestli na vstupu bude, tak minimálně pojistka je dobrá. Jestli při sepnutí solenoidu napětí na jeho výstupu klesne na pár voltů, tak je špatný kontakt. A jestli se napětí skoro nehne (tam by měl být viditelný pokles minimálně několik desetin voltu, když to bude naprázdno), tak jsou kontakty solenoidu total špatné nebo už neexistují. Nebo je něco jiného mechanického uvnitř špatně.
Sloužim lidu! :-)
Land Rover Defender 110SW 300Tdi 1998
ex-služební Land Rover Defender 2,4TDCi Puma 2008
Land Rover Defender 110SW 300Tdi 1998
ex-služební Land Rover Defender 2,4TDCi Puma 2008
-
Romanlandrover
- Příspěvky: 23
- Registrován: 05 dub 2023 07:44
- tel.: 00421903168012
Re: Chyba navijaku .
Dakujem velmi pekne za odpoved , idem skusit to nejak pomerat , popripade ocistit a znovu zapojit kontakty ( aspon tie ku ktorym sa dostanem ...) idem skusit a snad budem mudrejsi .... dakujem
-
MadTom
- Příspěvky: 15393
- Registrován: 06 lis 2008 23:15
- tel.: 608 600 360
- auto: D2, Def 130
- Bydliště: Olomouc
Re: Chyba navijaku .
A dřív ten naviják fungoval? Už jsem potkal s navijákem, kterým měl na autě nový majitel, nefungoval mu nikdy, že prý nějaká drobnost, jediný problém byl v tom, že to bylo špatně zapojené. Ono když jsou tam víc než 2 dráty, tak vzniká nekonečné množství možností, jak to zapojit blbě. 
Drobek - Discovery II TD5 pro ženu, Blufínek - Defender 130 TD5 na ježdění s dětma a mě zbyl už zase jenom Ford Mondeo
- pojir
- Příspěvky: 2571
- Registrován: 20 zář 2013 12:29
- tel.: 602727915
- auto: D2
- Bydliště: u Blanska
- Kontaktovat uživatele:
Re: Chyba navijaku .
A ma to jeden velky placaty solenoid nebo ctyri male valeckove jak ze starteru? Pokud ctyri male, tak bych misto nich spis koupil ten jeden integrovany blok.
Jakkoliv vysoko vyskocis, nikdy nepreskocis svoji prdel.
-
Kyanid Sodný
- Příspěvky: 410
- Registrován: 09 kvě 2016 16:35
Re: Chyba navijaku .
Největší škody na autě se způsobí dobrými umysly
- Tazik1992
- Příspěvky: 1429
- Registrován: 10 čer 2014 22:59
- tel.: 602875958
- auto: Defík
- Bydliště: Holýšov,Kaznějov
Re: Chyba navijaku .
Kyanid Sodný píše: 18 úno 2024 17:46 Cvrkni plusovým kabelem přímo na + vývod vod motoru no a uvidíš jestli se motor hne
Musíš číct celé příspěvky
Sloužim lidu! :-)
Land Rover Defender 110SW 300Tdi 1998
ex-služební Land Rover Defender 2,4TDCi Puma 2008
Land Rover Defender 110SW 300Tdi 1998
ex-služební Land Rover Defender 2,4TDCi Puma 2008
- discovery1liptov
- Příspěvky: 1224
- Registrován: 23 bře 2012 22:15
- tel.: +421 911 156 390
- auto: Land Rover Defender
- Bydliště: Važec
Re: Chyba navijaku .
ak ti ide na priamo je to v silenoide...
-
Romanlandrover
- Příspěvky: 23
- Registrován: 05 dub 2023 07:44
- tel.: 00421903168012
Re: Chyba navijaku .
Ma to take valceky solenoidy , prilozim fotku skusal som ocistit kontakty ku ktorym som sa dostal , ale len cvaka ....takto vyzerajupojir píše: 18 úno 2024 16:07 A ma to jeden velky placaty solenoid nebo ctyri male valeckove jak ze starteru? Pokud ctyri male, tak bych misto nich spis koupil ten jeden integrovany blok.
-
Romanlandrover
- Příspěvky: 23
- Registrován: 05 dub 2023 07:44
- tel.: 00421903168012
Re: Chyba navijaku .
Aj mne sa to zda , zatial ako najrealnesia moznost ze niekde vnytri asi tych valcekov nieco nefunguje ako by malo
-
Romanlandrover
- Příspěvky: 23
- Registrován: 05 dub 2023 07:44
- tel.: 00421903168012
Re: Chyba navijaku .
Skusim este premerat pre istotu to som este neskusal ... a kupim novy solenoid len ja som nikde nenasie u tych valcekov nejake oznacenie kolko amperove su a na nete som nasiel ze sa predavaju solenoidy valceky ale aj tie novsie spinace ( alebo ako to nazvat , kde je to uz len taka krabicka mamiesto tych valcekov ) v roznych amperov . Kolko amperovy solenoid treba ? Je to podla taznej sili alebo podla coho zistim ? Neviete niekto....?
-
MadTom
- Příspěvky: 15393
- Registrován: 06 lis 2008 23:15
- tel.: 608 600 360
- auto: D2, Def 130
- Bydliště: Olomouc
Re: Chyba navijaku .
V parametrech navijáku je i proud, který bere. Teda u těch slušnějších. A protože jsou navijáky skoro stejné, tak porovnat s nějakým podobný.
Jinak ty solenoidy se dají v pohodě změřit.
Jinak ty solenoidy se dají v pohodě změřit.
Drobek - Discovery II TD5 pro ženu, Blufínek - Defender 130 TD5 na ježdění s dětma a mě zbyl už zase jenom Ford Mondeo
- Tazik1992
- Příspěvky: 1429
- Registrován: 10 čer 2014 22:59
- tel.: 602875958
- auto: Defík
- Bydliště: Holýšov,Kaznějov
Re: Chyba navijaku .
Naviják na 12000liber už mívá motor 4,5kW a víc. To už je proud kolem 400A, takže solenoidy určitě aspoň na 500A. Ne-li víc pro větší spolehlivost. Ovšem je otázka kolik je tam místa....
A ještě jsi nezodpověděl tu otázku co měl MadTom - ten naviják s tím stávajícím zapojením na autě předtím fungoval ?
A ještě jsi nezodpověděl tu otázku co měl MadTom - ten naviják s tím stávajícím zapojením na autě předtím fungoval ?
Sloužim lidu! :-)
Land Rover Defender 110SW 300Tdi 1998
ex-služební Land Rover Defender 2,4TDCi Puma 2008
Land Rover Defender 110SW 300Tdi 1998
ex-služební Land Rover Defender 2,4TDCi Puma 2008
-
Romanlandrover
- Příspěvky: 23
- Registrován: 05 dub 2023 07:44
- tel.: 00421903168012
Re: Chyba navijaku .
Dakujem velmi pekne za odpoved ohladne prudu... ano navijak urcite fungoval predtym je to vydiet aj na opotrebeni lana uhlikov a pod . Ale pri kupe sme ho neskusali a mne doma uz potom nesiel , ale podla slov od predchadzajuceho majitela a aj podla vyditelnej deformacii , natlacenia navinu lana na valci navijak urcite predtym pracoval a navijal lano.Tazik1992 píše: 19 úno 2024 00:10 Naviják na 12000liber už mívá motor 4,5kW a víc. To už je proud kolem 400A, takže solenoidy určitě aspoň na 500A. Ne-li víc pro větší spolehlivost. Ovšem je otázka kolik je tam místa....
A ještě jsi nezodpověděl tu otázku co měl MadTom - ten naviják s tím stávajícím zapojením na autě předtím fungoval ?
-
Romanlandrover
- Příspěvky: 23
- Registrován: 05 dub 2023 07:44
- tel.: 00421903168012
Re: Chyba navijaku .
Este som dnes skusil ci je poistka v poriadku vyzera ze by mala byt ok a na zajtra som objednal ten novsi hranaty solenoid , mal by pasovat adufam ze sa mi to podari este spravne zapojit ...aby to fungovalo cez ovladace tak uvidim .
- Tazik1992
- Příspěvky: 1429
- Registrován: 10 čer 2014 22:59
- tel.: 602875958
- auto: Defík
- Bydliště: Holýšov,Kaznějov
Re: Chyba navijaku .
Romanlandrover píše: 19 úno 2024 01:05 ale podla slov od predchadzajuceho majitela a aj podla vyditelnej deformacii , natlacenia navinu lana na valci navijak urcite predtym pracoval a navijal lano.
Víra uzdravuje
Jen jestli tam někdo před prodejem nedělal nějakou rychlooopravu či záměnu.... Možná by jsi sem mohl dát pár fotek z různých úhlů aby bylo vidět celkově na solenoidy, kabely a svorky motoru navijáku - možná by šlo něco vypozorovat.
A propo, nemá tam náhodou udělaný ještě nějaký extra mechanický vypínač na silový přívod k navijáku ?
Sloužim lidu! :-)
Land Rover Defender 110SW 300Tdi 1998
ex-služební Land Rover Defender 2,4TDCi Puma 2008
Land Rover Defender 110SW 300Tdi 1998
ex-služební Land Rover Defender 2,4TDCi Puma 2008
-
Kyanid Sodný
- Příspěvky: 410
- Registrován: 09 kvě 2016 16:35
Re: Chyba navijaku .
No vono když se hodně navijákuje a ještě pod velkou zátěží a ještě napřímoRomanlandrover píše: 19 úno 2024 01:05Dakujem velmi pekne za odpoved ohladne prudu... ano navijak urcite fungoval predtym je to vydiet aj na opotrebeni lana uhlikov a pod . Ale pri kupe sme ho neskusali a mne doma uz potom nesiel , ale podla slov od predchadzajuceho majitela a aj podla vyditelnej deformacii , natlacenia navinu lana na valci navijak urcite predtym pracoval a navijal lano.Tazik1992 píše: 19 úno 2024 00:10 Naviják na 12000liber už mívá motor 4,5kW a víc. To už je proud kolem 400A, takže solenoidy určitě aspoň na 500A. Ne-li víc pro větší spolehlivost. Ovšem je otázka kolik je tam místa....
A ještě jsi nezodpověděl tu otázku co měl MadTom - ten naviják s tím stávajícím zapojením na autě předtím fungoval ?.
Největší škody na autě se způsobí dobrými umysly
- VencaZE
- Příspěvky: 3636
- Registrován: 17 kvě 2008 14:51
- tel.: 602 550 993
- auto: 110HT, S2A 88, G66
- Bydliště: Brod nad Tichou, okr. Tachov
- Kontaktovat uživatele:
Re: Chyba navijaku .
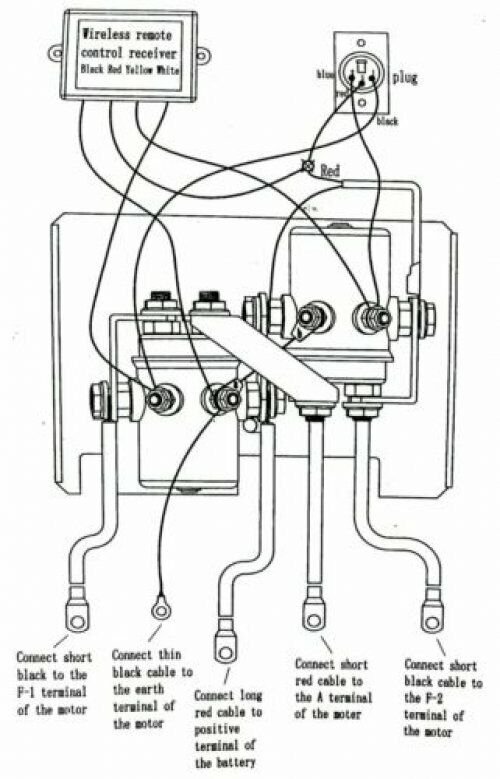
Pravděpodobně asi takhle nějak to má být zapojené.
- Přílohy
-
- winch.jpg (36.98 KiB) Zobrazeno 17979 x
Urbanovi Pneu&Cars- Servis Land Rover, diagnostika, autoelektro, pneuservis a jiné.. urbanovipneucars@email.cz
WWW: http://www.landroverforum.cz/forum/view ... 12&t=26864
Proč bychom se dřeli, když můžeme spálit trochu nafty. OK1LRD
WWW: http://www.landroverforum.cz/forum/view ... 12&t=26864
Proč bychom se dřeli, když můžeme spálit trochu nafty. OK1LRD
- pojir
- Příspěvky: 2571
- Registrován: 20 zář 2013 12:29
- tel.: 602727915
- auto: D2
- Bydliště: u Blanska
- Kontaktovat uživatele:
Re: Chyba navijaku .
To je setup se ctyrma jednodussima solenoidama. Soucasny stav je tohle:
Jakkoliv vysoko vyskocis, nikdy nepreskocis svoji prdel.
-
MadTom
- Příspěvky: 15393
- Registrován: 06 lis 2008 23:15
- tel.: 608 600 360
- auto: D2, Def 130
- Bydliště: Olomouc
Re: Chyba navijaku .
Obrázek hezký, ale chybí v něm jedno podstatné - připojení kostry (mínus pólu baterky) jak na vlastní motor navijáku, tak na jednotlivé solenoidy.
Často je v tom problém, protože kostra braná někde z montážních šroubů navijáku není správně - kupodivu to může být celkem slušně izolované, a pokud už je tam drát, tak bývá schovaný zespodu motoru, takže na něj není vidět.
K zapojení obecně - většina navijáků má sériový motor - 2 vývody jsou od uhlíků, tedy pro rotor, dva od cívek na statoru (jeden je kostra). Je potřeba vždy zapojit + na jeden vývod uhlíků a druhý zapojit na volný vývod cívky statoru. Změna směru otáčení se dělá prohozením vývodů k uhlíkům.
Drobek - Discovery II TD5 pro ženu, Blufínek - Defender 130 TD5 na ježdění s dětma a mě zbyl už zase jenom Ford Mondeo