Zdravím,
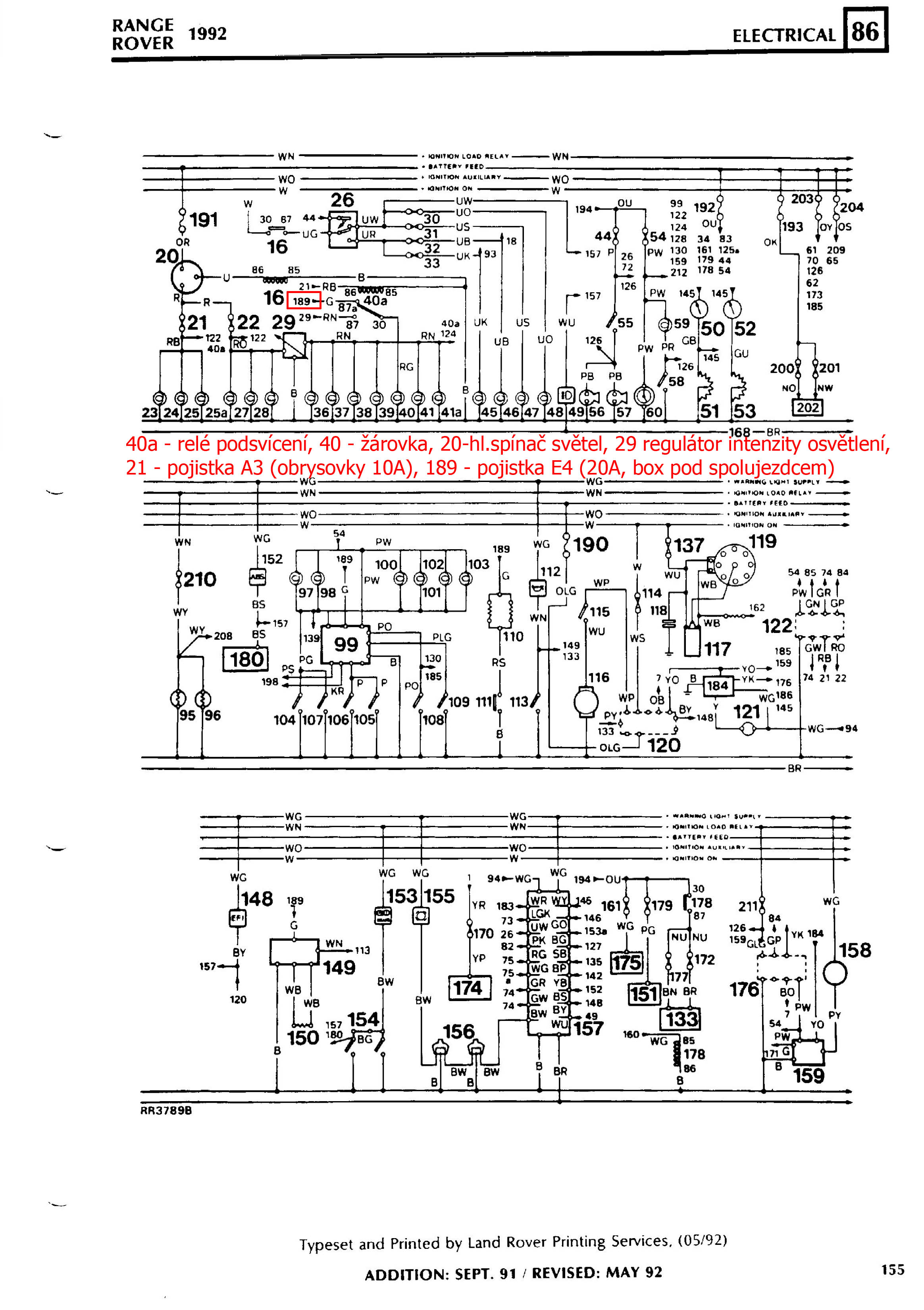
nevím si radu s tím, že mi nesvítí podsvětlení voliče automatu. Konektor v Cubby Boxu jsem našel a nejde do něj šťáva. Svazek pak vede dál podél středového tunelu někam do palubovky. V schématu, který mám je uvedené relé a v manuálu pro vozy do roku 91 je nakreslená jeho poloha v Cubbyboxu. Můj je ale rok 92 a žádné relé tam nemám.
Má někdo schéma pro napájení osvětlení řadiče automatu pro rok 92 a evropskou verzi? (Mám obavy, že rozšířený manuál pro US-modely tam má odlišnosti, protože tam nesmí jít auto nastartovat, pokud nestojím na brzdě, což u mého tak není)
Nemohu se z mého schématu ani dočíst, která pojistka je odpovědná za tuhle funkci a zda tam to relé má být.
Mirko
RRC - osvětlení řadicí páky
- Tazik1992
- Příspěvky: 1429
- Registrován: 10 čer 2014 22:59
- tel.: 602875958
- auto: Defík
- Bydliště: Holýšov,Kaznějov
Re: RRC - osvětlení řadicí páky
To by Ti mohlo pomoct.
Sloužim lidu! :-)
Land Rover Defender 110SW 300Tdi 1998
ex-služební Land Rover Defender 2,4TDCi Puma 2008
Land Rover Defender 110SW 300Tdi 1998
ex-služební Land Rover Defender 2,4TDCi Puma 2008
- Mirko
- Příspěvky: 2895
- Registrován: 18 lis 2008 08:35
- auto: RRC´s
- Bydliště: Brno
- Kontaktovat uživatele:
Re: RRC - osvětlení řadicí páky
Díky Tazik, ale tohle je zrovna to schéma pro severoamerické státy (NAS), které mají nějaké relé ovlivňující startování. Už se mi dostalo electronical troubleshooting manual pro rok 92 a evropskou verzi, kde tohle relé vůbec není, a podařilo se mi už zúžit okruh podezřelých na prvky před pojistkou pod sedadlem spolujezdce, protože ani do ní nejde šťáva.
- Tazik1992
- Příspěvky: 1429
- Registrován: 10 čer 2014 22:59
- tel.: 602875958
- auto: Defík
- Bydliště: Holýšov,Kaznějov
Re: RRC - osvětlení řadicí páky
Jo, tak to sem si tam ani nevšim. Je mi teda divný, že amíci musí mít na takovou "blbinu" samostatné relátko. To podsvícení předpokládám obstarává pár žárovek a ty mohly spojit s podsvícením palubky.
Podle toho co píšeš to vypadá na kabeláž nebo kontakty. Není náhodou ještě něco, co v autě nefunguje. V té US verzi ta pojistka napájela víc okruhů.
Podle toho co píšeš to vypadá na kabeláž nebo kontakty. Není náhodou ještě něco, co v autě nefunguje. V té US verzi ta pojistka napájela víc okruhů.
Sloužim lidu! :-)
Land Rover Defender 110SW 300Tdi 1998
ex-služební Land Rover Defender 2,4TDCi Puma 2008
Land Rover Defender 110SW 300Tdi 1998
ex-služební Land Rover Defender 2,4TDCi Puma 2008
- Mirko
- Příspěvky: 2895
- Registrován: 18 lis 2008 08:35
- auto: RRC´s
- Bydliště: Brno
- Kontaktovat uživatele:
Re: RRC - osvětlení řadicí páky
Amíci požadují větší blbuvzdornost - nesmíš nastartovat auto, pokud není zařazený "P" a nestojíš na brzdě. Dnes už to tak je i u evropských verzí, tehdy tam ještě byl rozdíl. Mají to dokonce vyvedené na úplně jinou pojistku než evropská verze, ta jí má pod sedačkou spolujezdce.
Právě že podsvětlení automatu svítí jako jediná věc v interiéru i s vypnutými světly stále, jakmile zapneš klíček.
Jinak mi taky v autě všechno troubí, svítí, stírá atd... O víkendu se snad dostanu k tomu to vyřešit, když teď konečně mohu opravovat drobnosti na autě, jako lepší žárovky ve světlech, zbavit se akvárek v mlhovkách, včera jsem vyměnil po třech letech chrčicí reprák atd. Úplná radost takový seznam prací, když na něm výjimečně nestojí: rozborka sborka motoru
Právě že podsvětlení automatu svítí jako jediná věc v interiéru i s vypnutými světly stále, jakmile zapneš klíček.
Jinak mi taky v autě všechno troubí, svítí, stírá atd... O víkendu se snad dostanu k tomu to vyřešit, když teď konečně mohu opravovat drobnosti na autě, jako lepší žárovky ve světlech, zbavit se akvárek v mlhovkách, včera jsem vyměnil po třech letech chrčicí reprák atd. Úplná radost takový seznam prací, když na něm výjimečně nestojí: rozborka sborka motoru
- Mirko
- Příspěvky: 2895
- Registrován: 18 lis 2008 08:35
- auto: RRC´s
- Bydliště: Brno
- Kontaktovat uživatele:
Re: RRC - osvětlení řadicí páky
Tak nakonec to byla přece jen ta pojistka pod sedadlem. Prvně jsem zkontroloval jedinou viditelnou 10A pojistku, kterou jsem pod sedadlem našel, ale přehlédl černou krabici za řídicí jednotkou. Pod jejím krytem je další řada pojistek, jedna z nich byla propálená, osvětlení zas svítí.
- Mattyfu
- Příspěvky: 358
- Registrován: 30 lis 2009 20:19
- auto: Discovery III TDV6
- Bydliště: díra po granátu u Roudnice nad Labem
- Kontaktovat uživatele:
Re: RRC - osvětlení řadicí páky
Obdivuji tvoji vytrvalost a hlavně schopnost dohledat i takovou kravinu, jakou je spálená pojistka kdesi v druhé řadě pod sedačkou, já už bych se smiřoval s taháním nové elektriky na centrálním podsvícení, ale zase rozumím snaze o zachování originality.
Je: Discovery III TDV6
Bylo:Range Rover L322 4,4 M62,Range Rover Classic TD5, Discovery II TD5, Range Rover Classic Princ Čárls, Range Rover Classic VM (VelkýMor)
Bylo:Range Rover L322 4,4 M62,Range Rover Classic TD5, Discovery II TD5, Range Rover Classic Princ Čárls, Range Rover Classic VM (VelkýMor)