Parkovací světla Freelander 2
Moderátor: Safraporte
Parkovací světla Freelander 2
Zkusil jsem vyměnit žárovky předních parkovacích světel za SMD LED které nevím z jakého důvodu blikají jako stroboskop.
Kdekoli jinde na autě svítí normálně.Má s tím někdo nějakou zkušenost ?
Kdekoli jinde na autě svítí normálně.Má s tím někdo nějakou zkušenost ?
Re: Parkovací světla Freelander 2
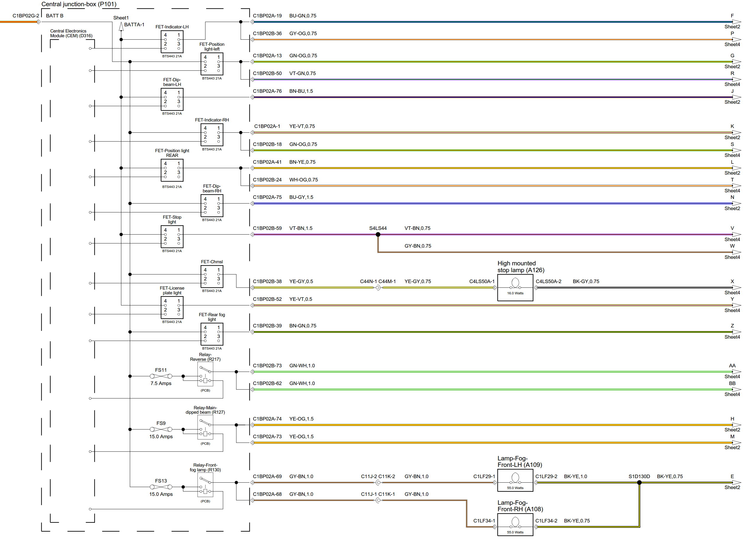
Mohlo by to súvisieť s testom žiaroviek, v tom prípade za to môže ecu auta.
Re: Parkovací světla Freelander 2
Mohlo by to jít nějak obejít? Odporem paralelně ?
Re: Parkovací světla Freelander 2
Skúsiť to môžeš, pre 4W žiarovky vychodí 33R, ale niečo berie aj led, takže skús 68 alebo 82R výkon 4W minimálne. Ja by som tam ale nechal žiarovky, budú mať zrovnateľnú životnosť s LED a netreba oblbovať ecu.
- Tazik1992
- Příspěvky: 1429
- Registrován: 10 čer 2014 22:59
- tel.: 602875958
- auto: Defík
- Bydliště: Holýšov,Kaznějov
Re: Parkovací světla Freelander 2
Žárovky jsou hlídaný-spínaný přes tranzistory, na kterých se snímá přetížení nebo zkrat. V tomhle přířadě je, ale zřejmě problém v neschopnosti vůbec sepnout okruh, protože LED žárovky mají cca 5x až 10x menší příkon. Jak píše astero buď paralelně rezistor (třeba 33R/5W), ale bude lepší zkoušet od vyšších hodnot 100ohm třeba (podle toho co zkousne ochraný obvod, záleží jak citlivě je nastavený), aby světla bezpečně trvale sepnula. 5W odpory už jsou docela topidla a budeš je muset nějak bezpečně umístit. No a nebo nechat normální žárovky než tam něco pachtit.
Naposledy upravil(a) Tazik1992 dne 08 úno 2015 21:37, celkem upraveno 1 x.
Sloužim lidu! :-)
Land Rover Defender 110SW 300Tdi 1998
ex-služební Land Rover Defender 2,4TDCi Puma 2008
Land Rover Defender 110SW 300Tdi 1998
ex-služební Land Rover Defender 2,4TDCi Puma 2008
-
MadTom
- Příspěvky: 15383
- Registrován: 06 lis 2008 23:15
- tel.: 608 600 360
- auto: D2, Def 130
- Bydliště: Olomouc
Re: Parkovací světla Freelander 2
Jenom poznámka - jestli ten rezistor bude na 5W nebo 10W je z pohledu toho, jak moc bude topit úplně jedno. Ten 10W bude větší a tím pádem bude mít šanci se lépe chladit, pokud nebude zastrčenej někde, kde se teplo neodvede.
Výkon u rezistor udává jeho maximální zatížitelnost, nikoliv to, kolik bude topit. To je dáno proudem a úbytkem napětí na rezistoru.
Výkon u rezistor udává jeho maximální zatížitelnost, nikoliv to, kolik bude topit. To je dáno proudem a úbytkem napětí na rezistoru.
Drobek - Discovery II TD5 pro ženu, Blufínek - Defender 130 TD5 na ježdění s dětma a mě zbyl už zase jenom Ford Mondeo
- Tazik1992
- Příspěvky: 1429
- Registrován: 10 čer 2014 22:59
- tel.: 602875958
- auto: Defík
- Bydliště: Holýšov,Kaznějov
Re: Parkovací světla Freelander 2
Já to zrovna poupravoval
. Topit bude stejně, ale na většim povrchu se teplo vyzářený sáláním líp rozloží.
Sloužim lidu! :-)
Land Rover Defender 110SW 300Tdi 1998
ex-služební Land Rover Defender 2,4TDCi Puma 2008
Land Rover Defender 110SW 300Tdi 1998
ex-služební Land Rover Defender 2,4TDCi Puma 2008
Re: Parkovací světla Freelander 2
Až zistíš, akú hodnotu ten odpor má mať, a bolo by to pod 50R, tak by tam šli použiť odpory, ako na obrázku. Primontované ku kastli budú spoľahlivé aj v lete pod kapotou.
- Přílohy
-
- odpor_25w_schladicom.jpg (21.08 KiB) Zobrazeno 5644 x
- Wisky
- Příspěvky: 107
- Registrován: 03 zář 2010 22:39
- tel.: 0915 236 273
- auto: Freelander Td4
- Bydliště: Koválov
Re: Parkovací světla Freelander 2
Blikanie spôsobuje to že žiarovky LED ktoré si kúpil niesu CANBUS , teda so zabudovaným rezitorom . Kúp verziu CANBUS a problém zmizne. 
Land Rover Discovery Sport 132 kW, 9 AT
Hippo , Freelander Td4 , 2002 , 225/65 R 17, LED , Xenon , Garmin
Volvo XC60 2,4 D A/T
EX-Mitsubishi Outlander
EX- Mercedes Benz C-classe
EX - Suzuki Grand Vitara
Hippo , Freelander Td4 , 2002 , 225/65 R 17, LED , Xenon , Garmin
Volvo XC60 2,4 D A/T
EX-Mitsubishi Outlander
EX- Mercedes Benz C-classe
EX - Suzuki Grand Vitara
- Tazik1992
- Příspěvky: 1429
- Registrován: 10 čer 2014 22:59
- tel.: 602875958
- auto: Defík
- Bydliště: Holýšov,Kaznějov
Re: Parkovací světla Freelander 2
Wisky píše:Kúp verziu CANBUS a problém zmizne.
Tak na tuty sem ještě nenarazil
Blbý je, že je většina z toho LED repertoáru nehomologovaná. Jestli to pak svítí výrazně víc, tak už by si toho mohl třeba na STK někdo všimnout.
http://eshop.comfortlight.cz/uvodni-str ... 21275.html
Sloužim lidu! :-)
Land Rover Defender 110SW 300Tdi 1998
ex-služební Land Rover Defender 2,4TDCi Puma 2008
Land Rover Defender 110SW 300Tdi 1998
ex-služební Land Rover Defender 2,4TDCi Puma 2008
- Wisky
- Příspěvky: 107
- Registrován: 03 zář 2010 22:39
- tel.: 0915 236 273
- auto: Freelander Td4
- Bydliště: Koválov
Re: Parkovací světla Freelander 2
Tazik1992 píše:Wisky píše:Kúp verziu CANBUS a problém zmizne.![]()
Tak na tuty sem ještě nenarazil![]()
Blbý je, že je většina z toho LED repertoáru nehomologovaná. Jestli to pak svítí výrazně víc, tak už by si toho mohl třeba na STK někdo všimnout.
http://eshop.comfortlight.cz/uvodni-str ... 21275.html
Ono ani nie že by to svietilo viac či menej ako klasická LED žiarovka , všetko záleží od Watáže , iba je určená pre autá s CANBUS systémom aby nehlasila chyby a svietila bez prerušovania
Land Rover Discovery Sport 132 kW, 9 AT
Hippo , Freelander Td4 , 2002 , 225/65 R 17, LED , Xenon , Garmin
Volvo XC60 2,4 D A/T
EX-Mitsubishi Outlander
EX- Mercedes Benz C-classe
EX - Suzuki Grand Vitara
Hippo , Freelander Td4 , 2002 , 225/65 R 17, LED , Xenon , Garmin
Volvo XC60 2,4 D A/T
EX-Mitsubishi Outlander
EX- Mercedes Benz C-classe
EX - Suzuki Grand Vitara
Re: Parkovací světla Freelander 2
Díky za odkaz , objednal jsem a uvidím 