RRC dráty a konektory- k čemu co patří?

Všeobecné rady a informace

Moderátor: Acon

Zpráva
Autor
Uživatelský avatar
merlin
Příspěvky: 862
Registrován: 02 led 2009 00:16
tel.: 602620817
auto: RRC 2door, RR 4,4
Bydliště: Horní Staré Buky

Re: RRC dráty a konektory- k čemu co patří?

#21 Příspěvek od merlin » 27 led 2013 18:54

Díky,
Rozdělal jsem dveře a vedou tam jenom dráty k reproduktorům. Našel jsem v rave, že svazek na ovládání zrcátek lze připojit do hlavního svazku, takže to asi půjde dodělat, jenom najít ten volný a správný konektor.
Horší to je s konektorama v motorové části. Tam se mi to nedaří ani prozvonit či rozsvítit nějakou kontrolku.
RRC 2 door, RR L322 4.4 V8 JAG
Tailored & powered by Merlin

Uživatelský avatar
Mirko
Příspěvky: 2892
Registrován: 18 lis 2008 08:35
auto: RRC´s
Bydliště: Brno
Kontaktovat uživatele:

Re: RRC dráty a konektory- k čemu co patří?

#22 Příspěvek od Mirko » 27 led 2013 19:23

Je opět otázka, jestli dvoudveřáky měli elektricky ovládané zrcátka v tom roce, nebo jestli je to jen sjednocená kabeláž s 4-door. S těmi konektory u motoru stále zastávám názor se tím teď netrápit a dat tam V8 nejlépe včetně kompletní kabeláže nebo s karburátorem.
Ještě taková technická:
Mě by mi pomohlo, kdyby se sloučilo tvoje původní a toto vlákno, protože jsou pak všechny info o tom voze pohromadě, takto pokaždé rozklikám toto vlákno, pak "pana Klobouka" pak inzeráty k tvému vozu, kde jsou fotky...
Stejně všichni relevantní to budou sledovat :mrk

Uživatelský avatar
merlin
Příspěvky: 862
Registrován: 02 led 2009 00:16
tel.: 602620817
auto: RRC 2door, RR 4,4
Bydliště: Horní Staré Buky

Re: RRC dráty a konektory- k čemu co patří?

#23 Příspěvek od merlin » 27 led 2013 21:44

Pls admin- jestli to jde spojit dvě vlákna
RRC 2 door, RR L322 4.4 V8 JAG
Tailored & powered by Merlin

Uživatelský avatar
merlin
Příspěvky: 862
Registrován: 02 led 2009 00:16
tel.: 602620817
auto: RRC 2door, RR 4,4
Bydliště: Horní Staré Buky

Re: RRC dráty a konektory- k čemu co patří?

#24 Příspěvek od merlin » 10 kvě 2013 20:28

No nic,
Další konektor, tentokrát po výměně LT77 za 4HP22. Na které piny zapojit dva dráty zpátečky z čidla LT77 do kulatého konektoru 4HP22? A musím zapojit i ty ostatní? Resp k čemu jsou a co ovládají nebo signalizují?


Sent from my iPad using Tapatalk HD
RRC 2 door, RR L322 4.4 V8 JAG
Tailored & powered by Merlin

Uživatelský avatar
merlin
Příspěvky: 862
Registrován: 02 led 2009 00:16
tel.: 602620817
auto: RRC 2door, RR 4,4
Bydliště: Horní Staré Buky

Re: RRC dráty a konektory- k čemu co patří?

#25 Příspěvek od merlin » 12 kvě 2013 21:45

Kdo měnil LT77 za 4hp22? To jste to zapojení nikdo neřešil?


Sent from my iPad using Tapatalk HD
RRC 2 door, RR L322 4.4 V8 JAG
Tailored & powered by Merlin

Uživatelský avatar
Neklan
Příspěvky: 2906
Registrován: 07 lis 2007 10:30
Bydliště: Praha

Re: RRC dráty a konektory- k čemu co patří?

#26 Příspěvek od Neklan » 13 kvě 2013 14:57

U mě to tak bylo, ale jednak jsem si to nedělal sám a pak také od té doby uplynulo skoro 5 let, takže se obávám, že už si to možná nikdo nepamatuje.
Aktuálně: 1979 SIII 88" 2,25 l Petrol a 1983 two-door Range Rover V8; Dříve navíc: 1969 SIIa 88" 2,5 l Petrol, 2003 Discovery 2 TD5, 2005 Discovery 3 TDV6 S, 2011 Discovery 4 SDV6 SE, 2016 Discovery 4 SDV6 HSE a 2021 Defender 110 SE D250

Uživatelský avatar
merlin
Příspěvky: 862
Registrován: 02 led 2009 00:16
tel.: 602620817
auto: RRC 2door, RR 4,4
Bydliště: Horní Staré Buky

Re: RRC dráty a konektory- k čemu co patří?

#27 Příspěvek od merlin » 15 kvě 2013 07:54

Našel jsem schéma 7pinový, ale já mám 5tipinový konektor

Ale přes tapatalk mi sem nejde dat to schéma




Sent from my iPad using Tapatalk HD
RRC 2 door, RR L322 4.4 V8 JAG
Tailored & powered by Merlin

Uživatelský avatar
merlin
Příspěvky: 862
Registrován: 02 led 2009 00:16
tel.: 602620817
auto: RRC 2door, RR 4,4
Bydliště: Horní Staré Buky

Re: RRC dráty a konektory- k čemu co patří?

#28 Příspěvek od merlin » 20 kvě 2013 09:43

Nemá někdo zbytečnej konektor i s kusama kabliků co jde do konektoru na 4hp22?


Sent from my iPad using Tapatalk HD
Přílohy
ImageUploadedByTapatalk HD1369035780.463067.jpg
RRC 2 door, RR L322 4.4 V8 JAG
Tailored & powered by Merlin

Uživatelský avatar
merlin
Příspěvky: 862
Registrován: 02 led 2009 00:16
tel.: 602620817
auto: RRC 2door, RR 4,4
Bydliště: Horní Staré Buky

Re: RRC dráty a konektory- k čemu co patří?

#29 Příspěvek od merlin » 31 kvě 2013 22:11

To všichni máte ten 7mi pinový? Rád bych už zapojil tu zpátečku.


Sent from my iPad using Tapatalk HD
RRC 2 door, RR L322 4.4 V8 JAG
Tailored & powered by Merlin

Uživatelský avatar
merlin
Příspěvky: 862
Registrován: 02 led 2009 00:16
tel.: 602620817
auto: RRC 2door, RR 4,4
Bydliště: Horní Staré Buky

Re: RRC dráty a konektory- k čemu co patří?

#30 Příspěvek od merlin » 03 čer 2013 19:29

Dle Eliotta ten 5ti pinový konektor na 4hp22 byl na RRC 1990 3.9i.

Nemá někdo dárce konektoru?


Sent from my iPad using Tapatalk HD
RRC 2 door, RR L322 4.4 V8 JAG
Tailored & powered by Merlin

Uživatelský avatar
merlin
Příspěvky: 862
Registrován: 02 led 2009 00:16
tel.: 602620817
auto: RRC 2door, RR 4,4
Bydliště: Horní Staré Buky

Re: RRC dráty a konektory- k čemu co patří?

#31 Příspěvek od merlin » 20 čer 2013 22:00

Pls radu zapojení 3.5V8 amplifier na rozdělovači, 3 pin, který je + a - a hlavně kam
Podle schématu co mám to nepoznám



Sent from my iPad using Tapatalk HD
Přílohy
ImageUploadedByTapatalk HD1371758404.190125.jpg
ImageUploadedByTapatalk HD1371758418.507478.jpg
RRC 2 door, RR L322 4.4 V8 JAG
Tailored & powered by Merlin

Uživatelský avatar
merlin
Příspěvky: 862
Registrován: 02 led 2009 00:16
tel.: 602620817
auto: RRC 2door, RR 4,4
Bydliště: Horní Staré Buky

Re: RRC dráty a konektory- k čemu co patří?

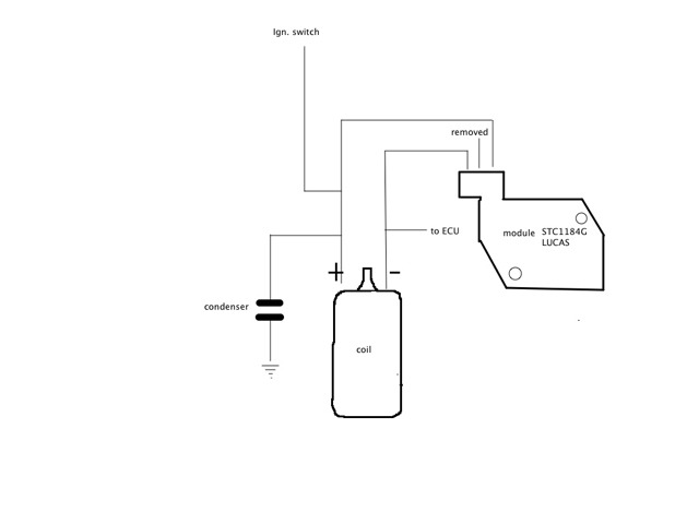
#32 Příspěvek od merlin » 21 čer 2013 12:33

Třeba se to někomu bude hodit při konverzi zapalování



Sent from my iPad using Tapatalk HD
Přílohy
ImageUploadedByTapatalk HD1371810803.918429.jpg
RRC 2 door, RR L322 4.4 V8 JAG
Tailored & powered by Merlin

Uživatelský avatar
Mirko
Příspěvky: 2892
Registrován: 18 lis 2008 08:35
auto: RRC´s
Bydliště: Brno
Kontaktovat uživatele:

Re: RRC dráty a konektory- k čemu co patří?

#33 Příspěvek od Mirko » 21 čer 2013 13:04

Prodávají se k tomu když tak i přímo konverzní kabely z 2pinového konektoru na 3pin modul, ale slouží to úplně stejně, jako ,když si to upravíš sám, del tvého schématu.

Uživatelský avatar
merlin
Příspěvky: 862
Registrován: 02 led 2009 00:16
tel.: 602620817
auto: RRC 2door, RR 4,4
Bydliště: Horní Staré Buky

Re: RRC dráty a konektory- k čemu co patří?

#34 Příspěvek od merlin » 21 čer 2013 15:55

To ano, pokud si měl 2pinový. Ale já měl starý typ jen jeden drát z - cívky přímo do rozdělovače. Ale teď už to fachčí na bezkontaktní rozdělovač. Jenom amplifier jsem musel přemístit k cívce neboť u rozdělovače se nevešel kvůlivá držáku servo pumpy.


Sent from my iPad using Tapatalk HD
RRC 2 door, RR L322 4.4 V8 JAG
Tailored & powered by Merlin

Uživatelský avatar
merlin
Příspěvky: 862
Registrován: 02 led 2009 00:16
tel.: 602620817
auto: RRC 2door, RR 4,4
Bydliště: Horní Staré Buky

Re: RRC dráty a konektory- k čemu co patří?

#35 Příspěvek od merlin » 09 črc 2013 17:22

Hledal jsem hledal ale marně, neví někdo co za vypínače mi chybí? Kabeláž s konektorama tam mám. Případně nabídněte k odkupu.


Sent from my iPad using Tapatalk HD
Přílohy
ImageUploadedByTapatalk HD1373383317.486722.jpg
RRC 2 door, RR L322 4.4 V8 JAG
Tailored & powered by Merlin

Uživatelský avatar
teslo
Příspěvky: 2670
Registrován: 25 led 2007 08:44
Bydliště: Bratislava

Re: RRC dráty a konektory- k čemu co patří?

#36 Příspěvek od teslo » 10 črc 2013 08:42

to zalezalo od vybavy a rocnika...napr. predne hmlovky, vyhrievanie celneho skla, tempomat...
Range Rover Classic 3.9V8EFI, plus zopar drobnosti:)
Range Rover P38 2.5TDS

Uživatelský avatar
Mirko
Příspěvky: 2892
Registrován: 18 lis 2008 08:35
auto: RRC´s
Bydliště: Brno
Kontaktovat uživatele:

Re: RRC dráty a konektory- k čemu co patří?

#37 Příspěvek od Mirko » 10 črc 2013 09:38

Přesně jak píše teslo, v případě, že to vybavení nebylo, tak se tam dávali od výrobce ty záslepky, co tam máš.

Uživatelský avatar
merlin
Příspěvky: 862
Registrován: 02 led 2009 00:16
tel.: 602620817
auto: RRC 2door, RR 4,4
Bydliště: Horní Staré Buky

Re: RRC dráty a konektory- k čemu co patří?

#38 Příspěvek od merlin » 10 črc 2013 13:09

Jde mi hlavně o mlhovky přední a přídavné dálkové, konektory u masky jsou bez U


Sent from my iPad using Tapatalk HD
RRC 2 door, RR L322 4.4 V8 JAG
Tailored & powered by Merlin

Uživatelský avatar
merlin
Příspěvky: 862
Registrován: 02 led 2009 00:16
tel.: 602620817
auto: RRC 2door, RR 4,4
Bydliště: Horní Staré Buky

Re: RRC dráty a konektory- k čemu co patří?

#39 Příspěvek od merlin » 15 črc 2013 11:20

Nepozná někdo ke kterejm vypinačům jsou tyto 3 konektory? Pak tam jsou dva samostatné, na jednom jsou S a na druhém D



Sent from my iPad using Tapatalk HD
Přílohy
ImageUploadedByTapatalk HD1373880037.986619.jpg
RRC 2 door, RR L322 4.4 V8 JAG
Tailored & powered by Merlin

Uživatelský avatar
merlin
Příspěvky: 862
Registrován: 02 led 2009 00:16
tel.: 602620817
auto: RRC 2door, RR 4,4
Bydliště: Horní Staré Buky

Re: RRC dráty a konektory- k čemu co patří?

#40 Příspěvek od merlin » 08 říj 2013 22:53

Přichází zima, tak začíná čas na dlouhé řešení...
Jak je to tedy s těmi konektory?


Sent from my iPad using Tapatalk HD
RRC 2 door, RR L322 4.4 V8 JAG
Tailored & powered by Merlin

Odpovědět