Rychlo dotazy
- victom
- Příspěvky: 539
- Registrován: 07 bře 2016 21:41
- tel.: 00421905467739
- auto: Defender puma 110 SW
- Bydliště: Slovensko
- Kontaktovat uživatele:
Re: Rychlo dotazy
Ja budem v krátkej dobe odstraňovať DPF aj EGR ...
Fizicky, aj software. Inak sa to ani nedá.
Po peripetiách s prepalenymi piestami a otestovaní vstrekovačov( sú v poriadku), mi to naznačuje že problém je len DPF a software ktorý dáva pokyn pri regenerácii DPF privstrekuje naftu pri otvorenom výfukovom ventile.
Fizicky, aj software. Inak sa to ani nedá.
Po peripetiách s prepalenymi piestami a otestovaní vstrekovačov( sú v poriadku), mi to naznačuje že problém je len DPF a software ktorý dáva pokyn pri regenerácii DPF privstrekuje naftu pri otvorenom výfukovom ventile.
Re: Rychlo dotazy
No nechcem ti kazit naladu ale ta 2,2 od fordu je fakt na picu motor. Myslim ze chalani vedla mna zo servisu by ti mohli rozpravat nepekne historky



- kaligula
- Příspěvky: 894
- Registrován: 10 říj 2012 09:45
- auto: Def110, F150, ex D3
- Bydliště: Dětmarovice
Re: Rychlo dotazy
Taky mam jeden rychlo dotaz, sviti mi na palubovce defika kontrolka privesneho voziku i kdyz neni pripojen, odkud ta kontrolka bere signal ? At nemusim kontrolovat vsechny kabely ?
-
- Příspěvky: 15298
- Registrován: 06 lis 2008 23:15
- tel.: 608 600 360
- auto: D2, Def 130
- Bydliště: Olomouc
Re: Rychlo dotazy
Zkontroluj zásuvku tažného. Co jsem koukal do schématu, tak tam není nic speciálního, vše dělá jenom vypínač a přerušovač. Trošku problém může být, jakou tam máš elektroniku tažného, těch je několik verzí, lišících se i podle zásuvky (7 pin nebo 13 pin), nebo nějaká univerzální, nebo "bastl", když nic jiného nebylo.
Zásuvka tažného bývá plná bláta nebo shnilá, a potom se umí dít různé věci.
Zásuvka tažného bývá plná bláta nebo shnilá, a potom se umí dít různé věci.
Drobek - Discovery II TD5 pro ženu, Blufínek - Defender 130 TD5 na ježdění s dětma a mě zbyl už zase jenom Ford Mondeo
- kaligula
- Příspěvky: 894
- Registrován: 10 říj 2012 09:45
- auto: Def110, F150, ex D3
- Bydliště: Dětmarovice
Re: Rychlo dotazy
Tu jsem řešil jako první, dal jsem novou, kabel k ní je OK, nemuzu ale najit konektor kde je na druhem konci napojen na instalaci vozidla, vypada to ze to nekdo napajel, obalil izolaci a zasunul do ramu, vcera jsem koukal do zadnich blinkru ty hnijou, dneska mi prisly nove tak je vymenim i s konektory,
Pochopil jsem ze detekce je na principu odberu proudu, jakmile je v obvodu o jednu zarovku navic tak neco sepne kontrolku, protoze na anglickem foru resili problem stejny ktery vzniknul po montazi rollcage nebo bullbaru na ktere byl navic dalsi blinkr, a zacla jim blikat kontrolka
Jenze mi ta kontrolka sviti porad, i kdyz blinkry nejsou zapnute.
Pochopil jsem ze detekce je na principu odberu proudu, jakmile je v obvodu o jednu zarovku navic tak neco sepne kontrolku, protoze na anglickem foru resili problem stejny ktery vzniknul po montazi rollcage nebo bullbaru na ktere byl navic dalsi blinkr, a zacla jim blikat kontrolka
Jenze mi ta kontrolka sviti porad, i kdyz blinkry nejsou zapnute.
Re: Rychlo dotazy
Robi to "krabicka" za pristrojovkou uz som riesil opravu len si presne nepamätam co mi to robilo. Je tam maly plosny spoj a na nom som mal studeny spoj.
Instalacia zasuvky ak je original s konektorom tak je napojena v lavom zadnom blatniku pod plastom co chrani svetla od blata.
Instalacia zasuvky ak je original s konektorom tak je napojena v lavom zadnom blatniku pod plastom co chrani svetla od blata.
LR Defender Td5 110SW po "prestavbe" a pred "prestavbou".
- Tazik1992
- Příspěvky: 1425
- Registrován: 10 čer 2014 22:59
- tel.: 602875958
- auto: Defík
- Bydliště: Holýšov,Kaznějov
Re: Rychlo dotazy
Signál je přes přerušovací relé R141 z uzlu mezi relé,spínačem výstražných a spínačem směrovek.kaligula píše: 18 srp 2023 05:41 Taky mam jeden rychlo dotaz, sviti mi na palubovce defika kontrolka privesneho voziku i kdyz neni pripojen, odkud ta kontrolka bere signal ? At nemusim kontrolovat vsechny kabely ?
Můžeš zkusit vytáhnout spínač výstražných a odpojit konektor jestli zhasne. Případně aspoň zkusit vytáhnout pojistku F31, která permanentně napájí spínač.
A to svítí i když máš vyplé zapalování ?
Předpokládám Td5
Sloužim lidu! :-)
Land Rover Defender 110SW 300Tdi 1998
ex-služební Land Rover Defender 2,4TDCi Puma 2008
Land Rover Defender 110SW 300Tdi 1998
ex-služební Land Rover Defender 2,4TDCi Puma 2008
- kaligula
- Příspěvky: 894
- Registrován: 10 říj 2012 09:45
- auto: Def110, F150, ex D3
- Bydliště: Dětmarovice
Re: Rychlo dotazy
Ano,td5
Sviti jen pri zaplem zapalovani, mi je to jedno ale v prosinci me ceka STK, tak aby se blbec neptal proc mi tam sviti kontrolka
Sviti jen pri zaplem zapalovani, mi je to jedno ale v prosinci me ceka STK, tak aby se blbec neptal proc mi tam sviti kontrolka
-
- Příspěvky: 15298
- Registrován: 06 lis 2008 23:15
- tel.: 608 600 360
- auto: D2, Def 130
- Bydliště: Olomouc
Re: Rychlo dotazy
Jenom bacha Def TD5 má dvě dost odlišné elektriky, co se týče pojistek. Liší se to stářím auta. Už jsem si jednou naběhl, že to nesedělo, než jsem našel správný. Zlomový rok je tuším 2002. Stačí v manuálu zkontrolovat, jestli sedí rozložení pojistek před řadicí pákou.
Drobek - Discovery II TD5 pro ženu, Blufínek - Defender 130 TD5 na ježdění s dětma a mě zbyl už zase jenom Ford Mondeo
- kaligula
- Příspěvky: 894
- Registrován: 10 říj 2012 09:45
- auto: Def110, F150, ex D3
- Bydliště: Dětmarovice
Re: Rychlo dotazy
Ano vim, mam rok 2002 a pulka auta je podle roku 2001 a pulka podle 2003, uz jsem to parkrat zjistil,
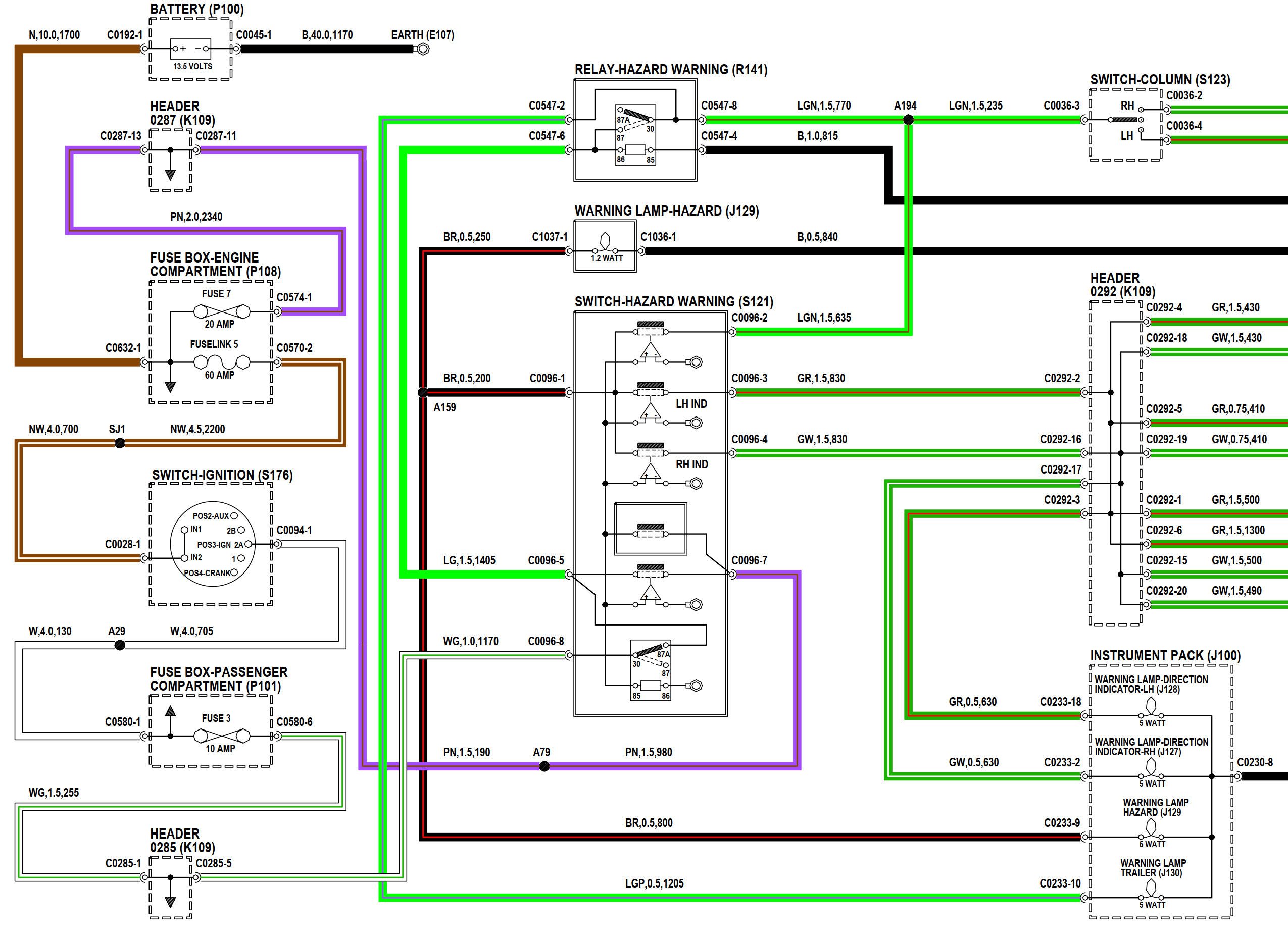
Podle schematka od tazika to vypada ze ten kouzelny obvod co pozna ze je pripojena vlecka je zabudovan ve spinaci varovnych, a druha moznost je hniloba v rele hazard, i podle ceny spinace bych tipoval ze to nebude obycejny spinac, ze ma v sobe zabudovano neco navic, v orginale stoji ten spinac 4,5 tis
Podle schematka od tazika to vypada ze ten kouzelny obvod co pozna ze je pripojena vlecka je zabudovan ve spinaci varovnych, a druha moznost je hniloba v rele hazard, i podle ceny spinace bych tipoval ze to nebude obycejny spinac, ze ma v sobe zabudovano neco navic, v orginale stoji ten spinac 4,5 tis
- Tazik1992
- Příspěvky: 1425
- Registrován: 10 čer 2014 22:59
- tel.: 602875958
- auto: Defík
- Bydliště: Holýšov,Kaznějov
Re: Rychlo dotazy
Hmmm, lahůdkakaligula píše: 19 srp 2023 07:09 Ano vim, mam rok 2002 a pulka auta je podle roku 2001 a pulka podle 2003, uz jsem to parkrat zjistil,
Podle schematka od tazika to vypada ze ten kouzelny obvod co pozna ze je pripojena vlecka je zabudovan ve spinaci varovnych, a druha moznost je hniloba v rele hazard, i podle ceny spinace bych tipoval ze to nebude obycejny spinac, ze ma v sobe zabudovano neco navic, v orginale stoji ten spinac 4,5 tis

Předpokládám, že Ty už máš novější typ spínače YUG000180LNF uprostřed středové konzole. Ten je mastnej, tak by právě bylo dobrý vyloučit nebo potvrdit jestli je to v něm. Mě samotnýho to schéma mate. Podle popisu funkce se má po připojení napájení přes spínačku sepnout výstup ze spínače a aktivovat přerušovač (relé R141). Ten by měl sepnout a vyčkat až se páčka směrových sepne (vlevo/vpravo) a připojí do okruhu žárovky. Následně R141 detekuje odběr a začne přerušovat okruh. Ale podle schématu ta kontrolka vozíku dostává šťávu v podstatě pořád za všech okolností - přes relé nebo spínač. Já bych zkusil odpojit jen ten horní vývod od spínače výstražných, co vede do uzlu relé-spínač-spínač páčka. Jestli zhasne bude to v něm.
Tady je pěkná stránka, kde borec právě tenhle spínač nahradil jednoduchým spínačem z D2 (tam se o to stará BCU) v kombinaci se třemi relé. Takže tipuju, že uvnitř toho spínače nic zázračného nebude. Teda, né že by to náhradní schéma vneslo více světla do zapojení

https://www.landyzone.co.uk/land-rover/ ... er.359450/
Takhle vypadá přerušovač R141 alias PRC8876 (4pinová varianta s konfigurací pro vozíky) uvnitř
V nejhorším případě je to jen zelená kontrolka, tu by měli na STK vnímat pozitivně

Sloužim lidu! :-)
Land Rover Defender 110SW 300Tdi 1998
ex-služební Land Rover Defender 2,4TDCi Puma 2008
Land Rover Defender 110SW 300Tdi 1998
ex-služební Land Rover Defender 2,4TDCi Puma 2008
- Tazik1992
- Příspěvky: 1425
- Registrován: 10 čer 2014 22:59
- tel.: 602875958
- auto: Defík
- Bydliště: Holýšov,Kaznějov
Re: Rychlo dotazy
Tak když se překreslí relátkový chuchvalec toho Angličana do schématu, tak se to začíná vyjasňovat. Vývod č.6 spínače je ve skutečnosti vstup přes který se při sepnutí spínače distribuuje přerušovaný signál z R141 do obou větví blinkrů a do kontrolky. To by se snad někde uvnitř spínače muselo stát něco fatálního, jako že by kus kontaktu propojil cesty, aby to vedlo napětí obráceně k relé. Nebo by musel být nějaký kopanec v drátech od obrysovek a spojení s okruhem kde je 12V, ale to by se zase muselo projevit nějakým nezvyklými světelnými efekty na směrovkách....
Ještě je teda otázka jak moc věrné je schéma zapojení toho relé přerušovaše R141. Jestli tam nakonec není vývod pro kontrolku vozíku odvozen jinak a není třeba spínán extra přes tranzistor... asi bych pozornost přesměroval k němu
Ještě je teda otázka jak moc věrné je schéma zapojení toho relé přerušovaše R141. Jestli tam nakonec není vývod pro kontrolku vozíku odvozen jinak a není třeba spínán extra přes tranzistor... asi bych pozornost přesměroval k němu
Sloužim lidu! :-)
Land Rover Defender 110SW 300Tdi 1998
ex-služební Land Rover Defender 2,4TDCi Puma 2008
Land Rover Defender 110SW 300Tdi 1998
ex-služební Land Rover Defender 2,4TDCi Puma 2008
Re: Rychlo dotazy
tak jste normalni borci ?? ja si predsa nebudem robit vysokou skolu abych to tady pochopil



-
- Příspěvky: 15298
- Registrován: 06 lis 2008 23:15
- tel.: 608 600 360
- auto: D2, Def 130
- Bydliště: Olomouc
Re: Rychlo dotazy
A tobě to tak nefunguje? 

Drobek - Discovery II TD5 pro ženu, Blufínek - Defender 130 TD5 na ježdění s dětma a mě zbyl už zase jenom Ford Mondeo
- kaligula
- Příspěvky: 894
- Registrován: 10 říj 2012 09:45
- auto: Def110, F150, ex D3
- Bydliště: Dětmarovice
Re: Rychlo dotazy
kontrolní dotaz - v def TD5 rok 2002 jsou v palubovce kontrolky LEDkdy nebo žárovičky ?
měřím si tady a hledám příčinu té mé svítící kontrolky
mám dvě pracovní verze
1. někde je prodřený kabel a proud tekoucí tím prodřením na kostru nebo někam je blikačem interpretován jako průtok proudu vozíkem a proto svítí kontrolka
2. modul blikače ja vadný a kontrolka svítí díky tomu
takže dneska jsem si měřil proudy jednotlivými větvemi kabeláže k blinkrům a nikde nic, jenom na pojistce je cca 130mA když kontrolka svítí a nula když nesvítí pokud je kontrolka žárovička tak je to OK a jdu rozebírat palubovku abych našel ten blikač co se skrývá za tachometrem
měřím si tady a hledám příčinu té mé svítící kontrolky
mám dvě pracovní verze
1. někde je prodřený kabel a proud tekoucí tím prodřením na kostru nebo někam je blikačem interpretován jako průtok proudu vozíkem a proto svítí kontrolka
2. modul blikače ja vadný a kontrolka svítí díky tomu
takže dneska jsem si měřil proudy jednotlivými větvemi kabeláže k blinkrům a nikde nic, jenom na pojistce je cca 130mA když kontrolka svítí a nula když nesvítí pokud je kontrolka žárovička tak je to OK a jdu rozebírat palubovku abych našel ten blikač co se skrývá za tachometrem
- Tazik1992
- Příspěvky: 1425
- Registrován: 10 čer 2014 22:59
- tel.: 602875958
- auto: Defík
- Bydliště: Holýšov,Kaznějov
Re: Rychlo dotazy
Jsou tam LEDkykaligula píše: 26 srp 2023 13:53 kontrolní dotaz - v def TD5 rok 2002 jsou v palubovce kontrolky LEDkdy nebo žárovičky ?
To blikací relé by mělo být z druhé strany pojistkovky pod středovou konzoloukaligula píše: 26 srp 2023 13:53 je to OK a jdu rozebírat palubovku abych našel ten blikač co se skrývá za tachometrem
Sloužim lidu! :-)
Land Rover Defender 110SW 300Tdi 1998
ex-služební Land Rover Defender 2,4TDCi Puma 2008
Land Rover Defender 110SW 300Tdi 1998
ex-služební Land Rover Defender 2,4TDCi Puma 2008
-
- Příspěvky: 17
- Registrován: 04 zář 2022 00:36
- tel.: 732832116
- auto: Defender 110 300Tdi
Re: Rychlo dotazy
Prosím o radu! Jsem na cestě, oleje a filtr na výměnu už mám doma, budu měnit zítra nebo pozítří. Trochu jsem přejel výměnu, na olej mám najeto necelých 12 tisíc. Motor 300Tdi
Při každém sešlápnutí spojky se rozsvítí kontrolka oleje až do doby než přeřadím a vyšlápnu spojku. Oleje je kousek nad spodní rysku. Může to být jen hladinou a počtem km olej - tím i horšími vlastnostmi? Moje úvaha, když jede motor na volnoběh nebo na minimální otáčky, rozstřik oleje je menší a čidlo to už nebere a hlásí nízký stav..
Nebo mám hledat větší závadu? Nebo jen nevím že kontrolka oleje signalizuje i něco jiného / jiné oleje než motorový?
Olejový filtr dotažený ale potečený.
Moc díky za rady, tipy, názory!
Při každém sešlápnutí spojky se rozsvítí kontrolka oleje až do doby než přeřadím a vyšlápnu spojku. Oleje je kousek nad spodní rysku. Může to být jen hladinou a počtem km olej - tím i horšími vlastnostmi? Moje úvaha, když jede motor na volnoběh nebo na minimální otáčky, rozstřik oleje je menší a čidlo to už nebere a hlásí nízký stav..
Nebo mám hledat větší závadu? Nebo jen nevím že kontrolka oleje signalizuje i něco jiného / jiné oleje než motorový?
Olejový filtr dotažený ale potečený.
Moc díky za rady, tipy, názory!
Defender 110 - 300Tdi 1998
- Tazik1992
- Příspěvky: 1425
- Registrován: 10 čer 2014 22:59
- tel.: 602875958
- auto: Defík
- Bydliště: Holýšov,Kaznějov
Re: Rychlo dotazy
dominik.vrazel píše: 06 lis 2023 20:35 Při každém sešlápnutí spojky se rozsvítí kontrolka oleje až do doby než přeřadím a vyšlápnu spojku.
Nooo, taky pěkná závada

U třístovky kontrolka oleje, motorového oleje, signalizuje jen problém s mazáním, nemá žádnou jinou funkci. Je ovládaná tlakovým spínačem osazeným na držáku olejového filtru. Asi by se mohlo stát, že ve volnobežných otáčkách poklesne tlak v mazacím systému. To by mohlo být třeba vadnou olejovou pumpou nebo nějakou větší netěsností. Asi by nebylo na škodu změřit tlak v mazací soustavě.
Sloužim lidu! :-)
Land Rover Defender 110SW 300Tdi 1998
ex-služební Land Rover Defender 2,4TDCi Puma 2008
Land Rover Defender 110SW 300Tdi 1998
ex-služební Land Rover Defender 2,4TDCi Puma 2008
-
- Příspěvky: 17
- Registrován: 04 zář 2022 00:36
- tel.: 732832116
- auto: Defender 110 300Tdi
Re: Rychlo dotazy
Děkuji za odpověďTazik1992 píše: 07 lis 2023 20:29 [quote=dominik.vrazel post_id=525050 time=<chrome_annotation data-index="0" data-data="YnBsaXN0MDDUAQIDBAUGBwpYJHZlcnNpb25ZJGFyY2hpdmVyVCR0b3BYJG9iamVjdHMSAAGGoF8QD05TS2V5ZWRBcmNoaXZlctEICVRyb290gAGmCwwXGBkaVSRudWxs0w0ODxATFldOUy5rZXlzWk5TLm9iamVjdHNWJGNsYXNzohESgAKAA6ISFYADgASABVR0eXBlW3Bob25lTnVtYmVyWjE2OTkyOTkzMjTSGxwdHlokY2xhc3NuYW1lWCRjbGFzc2VzXxATTlNNdXRhYmxlRGljdGlvbmFyeaMdHyBcTlNEaWN0aW9uYXJ5WE5TT2JqZWN0CBEaJCkyN0lMUVNaYGdveoGEhoiLjY+RlqKtsr3G3ODtAAAAAAAAAQEAAAAAAAAAIQAAAAAAAAAAAAAAAAAAAPY=" data-annotation="1699299324" data-type="PHONE_NUMBER" role="link" style="border-bottom-width: 1px; border-bottom-style: solid; border-bottom-color: rgb(51, 51, 51);">1699299324</chrome_annotation> user_id=12202]
Při každém sešlápnutí spojky se rozsvítí kontrolka oleje až do doby než přeřadím a vyšlápnu spojku.

Tak jsem zjistil že to dělá i v nižších otáčkách. Olej a filtr jsem vyměnil před chvilkou.
Při pročítání zahraničního fora všichni odkazují na snímač tlaku nebo kabeláž. Tak snad to bude ono. Jdu objednat snímač. Dokonce jsem si všiml, že je na něm malá kapka (byla na filtru hned po výmeně) vše jsem vyčistil, nastartoval a po chvíli opět kapka. Nepřipadá mi žeby to prokapávalo kolem závitu, ale kolem konektoru.
Každopádně nechci to podcenit, chystám se do Maroka. Na budíku mám 193xxx km (původnímu majiteli věřím), pumpa by měla podle toho co jsem četl dát víc. Ale jak jsem psal, správné mazání podceňovat nechci. Začínám uvažovat o snímači tlaku a teploty oleje

Defender 110 - 300Tdi 1998
- Tazik1992
- Příspěvky: 1425
- Registrován: 10 čer 2014 22:59
- tel.: 602875958
- auto: Defík
- Bydliště: Holýšov,Kaznějov
Re: Rychlo dotazy
Ten spínač je udělaný jednoduše chytře, je rozpínací, v klidu bez běžícího mootoru je sepnutý(kontrolka svítí) a rozepne ho až náležitý tlak oleje za chodu motoru. Obvyklé závady spínačů - opálený či špatný kontakt nebo zoxidovaný či vandrující přívodní kablík se u něj projeví hned nefunkčností kontrolky ještě před nastartováním.
Ale je možný, že už je léty unavený-"přecitlivělý" a chybně reaguje i na drobné obvyklé provozní výkyvy tlaku. By se dal odzkoušet po demontáži i stlačeným vzduchem.
Ale je možný, že už je léty unavený-"přecitlivělý" a chybně reaguje i na drobné obvyklé provozní výkyvy tlaku. By se dal odzkoušet po demontáži i stlačeným vzduchem.
Sloužim lidu! :-)
Land Rover Defender 110SW 300Tdi 1998
ex-služební Land Rover Defender 2,4TDCi Puma 2008
Land Rover Defender 110SW 300Tdi 1998
ex-služební Land Rover Defender 2,4TDCi Puma 2008